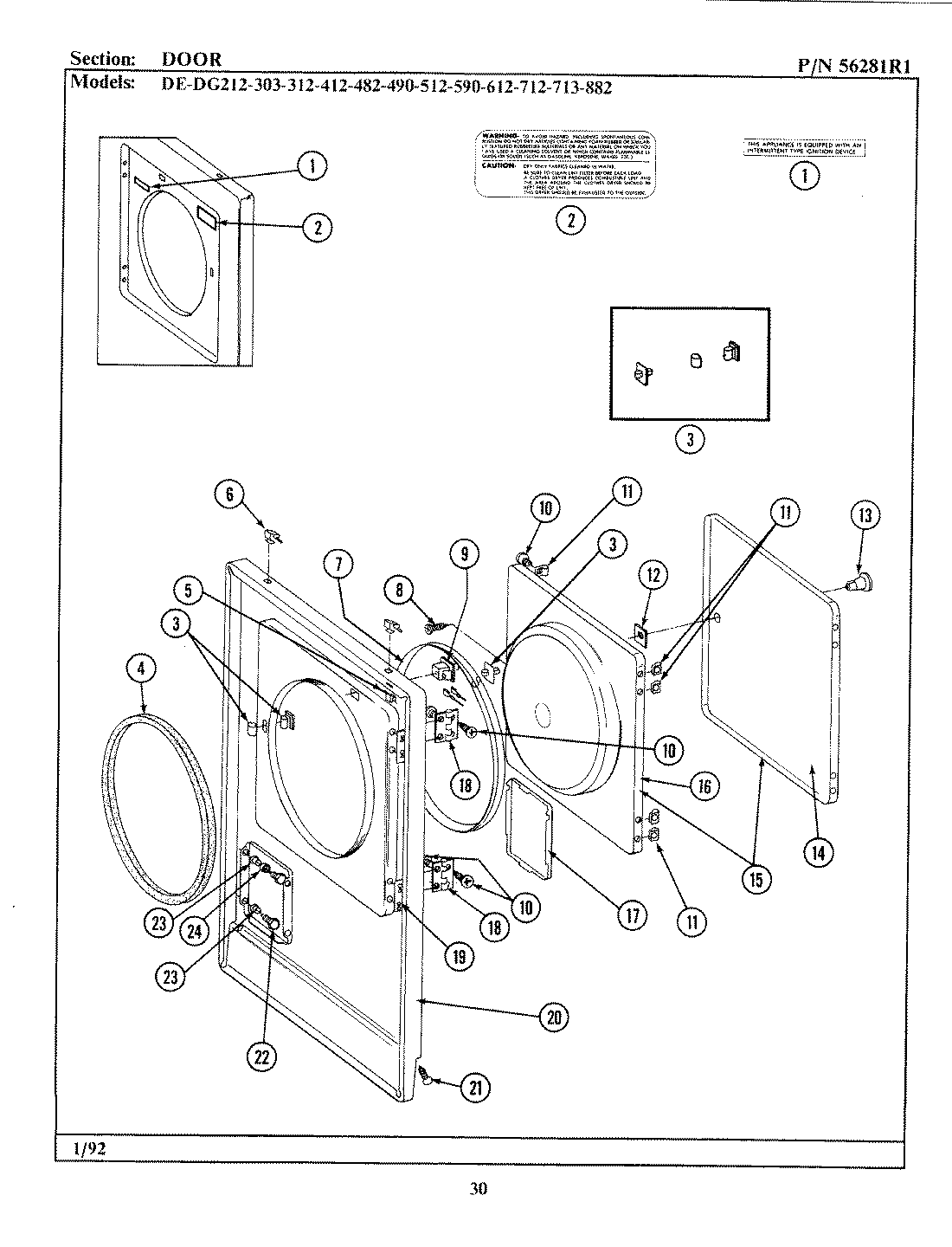
GDG612 02 – DOOR