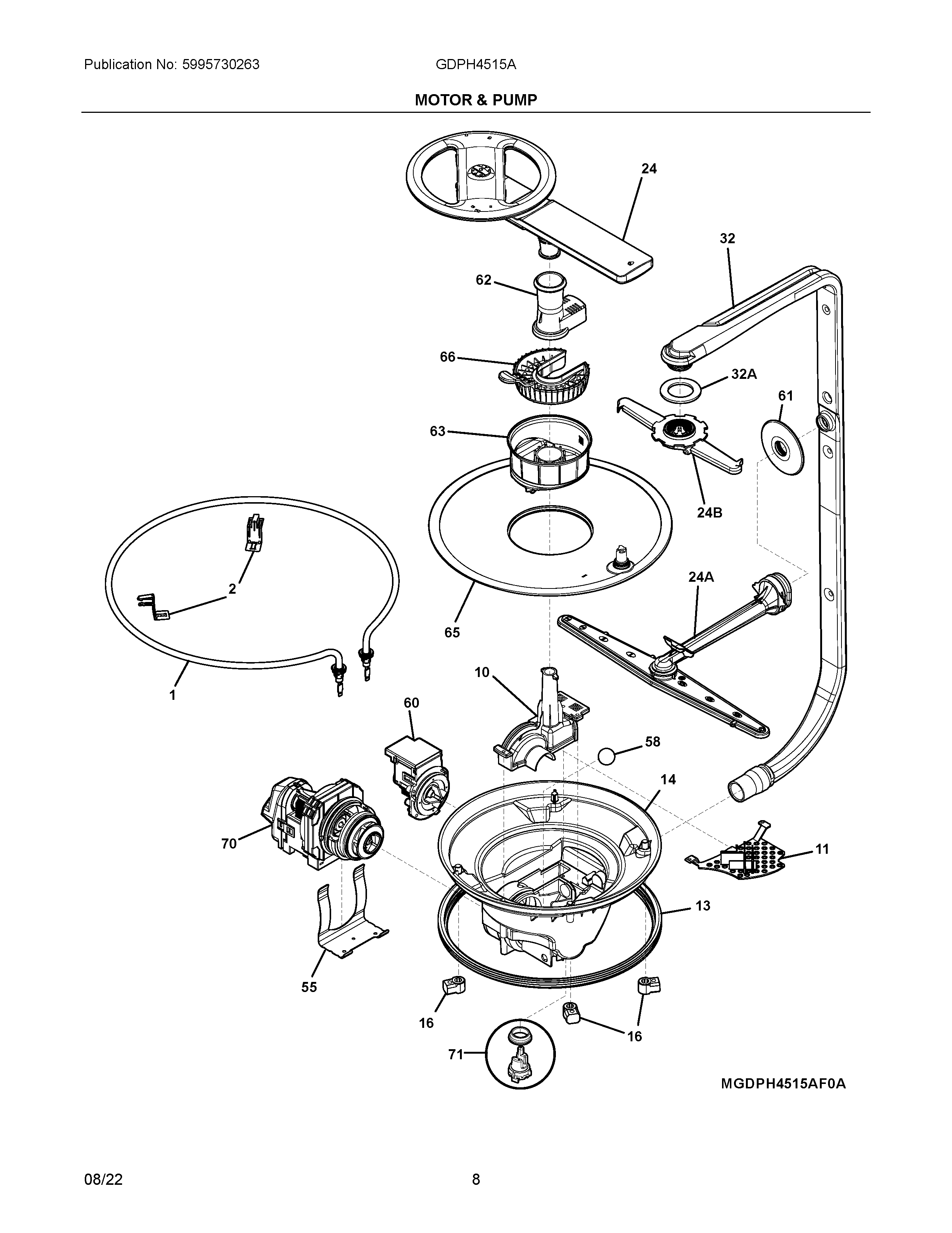
GDPH4515AD0A 05 – MOTOR & PUMPadmin2025-04-26T12:11:17+00:00GDPH4515AD0A 05 – MOTOR & PUMP ProductsPositionProductNI154783101 Frigidaire Dishwasher ScrewNIB807048001 Frigidaire Dishwasher Check ValveNIA154779601 Frigidaire Dishwasher ScrewNIA154754901 Frigidaire Dishwasher ScrewNIA154741501 Frigidaire Dishwasher ScrewNIA154611101 Frigidaire Dishwasher ClampNIB154491101 Frigidaire Dishwasher ScrewNIA154289801 Frigidaire Dishwasher ShieldNIB154106202 Frigidaire Dishwasher Heater Nut1154825001 Frigidaire Dishwasher Round Heater Heating Element2154465101 Frigidaire Dishwasher Heating Element Support Bracket10807145201 Frigidaire Dishwasher Cover-Volute11807111601 Frigidaire Sump Cover Assembly and Filter13154246801 Frigidaire Dishwasher Primary Gasket14154723801 Frigidaire Dishwasher SUMP Assembly16154246502 Frigidaire Dishwasher Bracket24B5304532203 Frigidaire Spray Arm24A5304532202 Frigidaire Manifold Assembly245304532209 Frigidaire Spray Arm32A154406401 Frigidaire Delivery Tube Gasket325304507087 Frigidaire Dishwasher Tube555304534830 Frigidaire Dishwasher Bracket58154246402 Frigidaire Dishwasher P-1 BALL60A00126401 Frigidaire Dishwasher Drain Pump Assembly615304532204 Frigidaire Grommet Assembly625304532235 Frigidaire Support635304532205 Frigidaire Base655304532208 Frigidaire Filter Assembly665304532206 Frigidaire Trap70MOTOR & PUMP ASSY71154762601 Frigidaire Dishwasher Turbidity Sensor