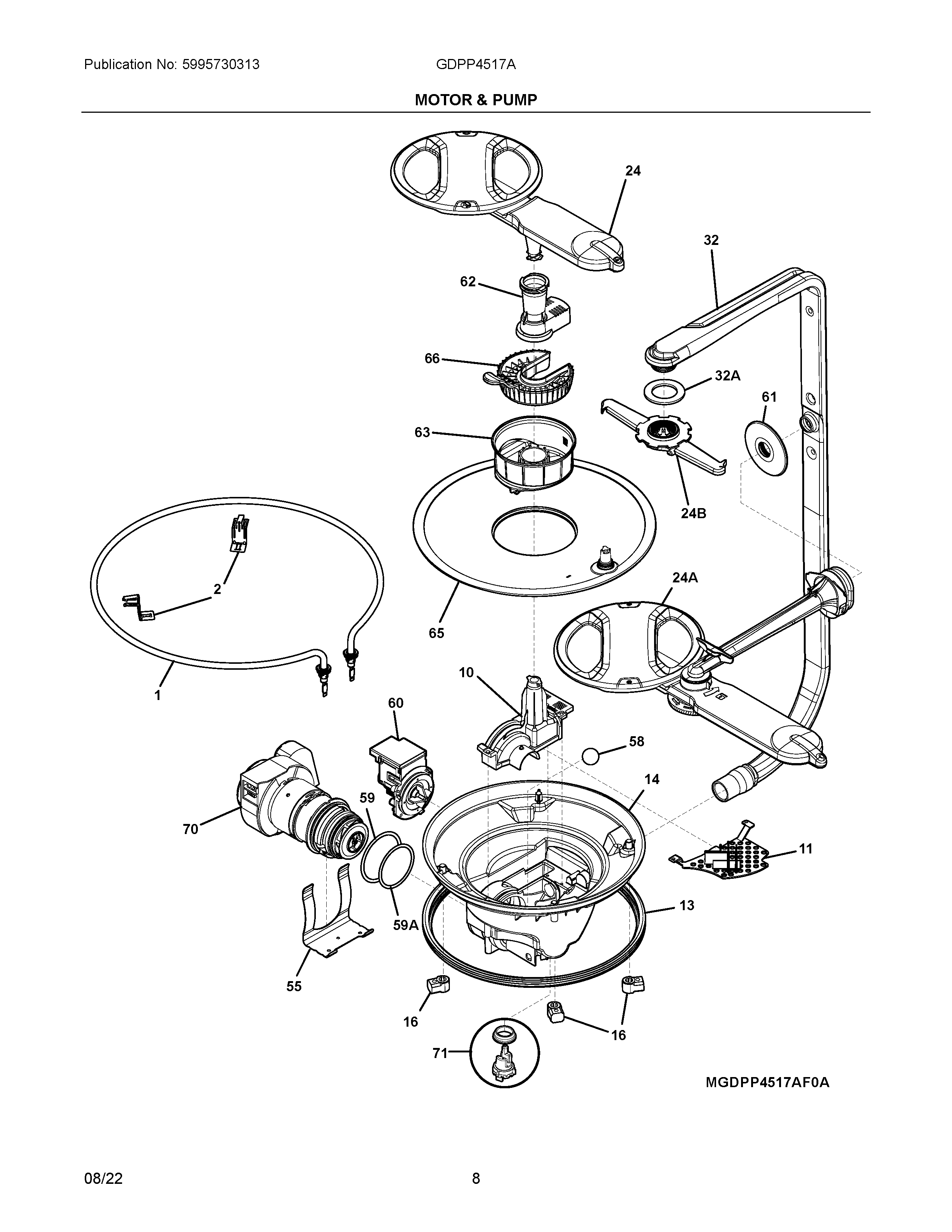
GDPP4517AD0A 05 – MOTOR & PUMPadmin2025-04-26T12:10:50+00:00GDPP4517AD0A 05 – MOTOR & PUMP ProductsPositionProductNI154783101 Frigidaire Dishwasher ScrewNIB807048001 Frigidaire Dishwasher Check ValveNIA154779601 Frigidaire Dishwasher ScrewNIA154754901 Frigidaire Dishwasher ScrewNIA154741501 Frigidaire Dishwasher ScrewNIA154611101 Frigidaire Dishwasher ClampNIB154491101 Frigidaire Dishwasher ScrewNIB154289801 Frigidaire Dishwasher ShieldNIA154106202 Frigidaire Dishwasher Heater Nut1154825001 Frigidaire Dishwasher Round Heater Heating Element2154465101 Frigidaire Dishwasher Heating Element Support Bracket105304517590 Frigidaire Dishwasher Cover11807111601 Frigidaire Sump Cover Assembly and Filter13154246801 Frigidaire Dishwasher Primary Gasket14154723801 Frigidaire Dishwasher SUMP Assembly16154246502 Frigidaire Dishwasher Bracket24B5304532203 Frigidaire Spray Arm24A5304532955 Frigidaire Manifold Assembly245304532956 Frigidaire Spray Arm Assembly325304507087 Frigidaire Dishwasher Tube32A154406401 Frigidaire Delivery Tube Gasket555304534830 Frigidaire Dishwasher Bracket58154246402 Frigidaire Dishwasher P-1 BALL59A154247001 Frigidaire Dishwasher Pump Gasket Seal for the Motor and Front 59154246901 Frigidaire Dishwasher Rear O-Ring for 154473001 Motor60A00126401 Frigidaire Dishwasher Drain Pump Assembly615304532204 Frigidaire Grommet Assembly625304532954 Frigidaire Dishwasher Support635304532205 Frigidaire Base65WCI 154283006665304532206 Frigidaire Trap70154853801 Frigidaire Motor and Pump Assembly71154762601 Frigidaire Dishwasher Turbidity Sensor