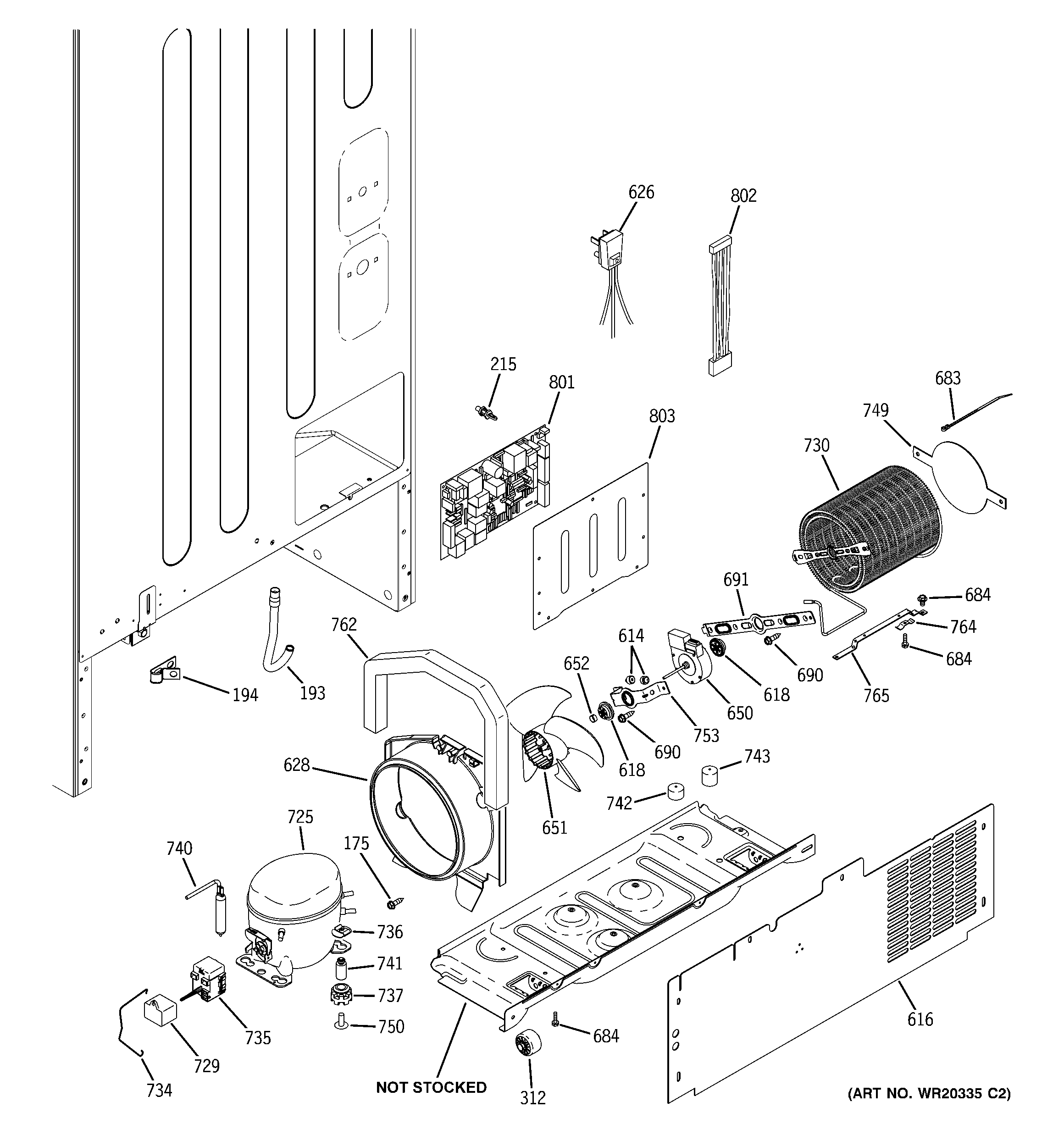
GDSC0KBXARCC MACHINE COMPARTMENTadmin2025-04-26T10:10:30+00:00GDSC0KBXARCC MACHINE COMPARTMENT ProductsPositionProduct175WR01X10652 GE Refrigerator Screw 8-18 AB IHW 5/8 S193TUBE DRAIN194WR01X10684 GE Refrigerator Cable Clamp215WR02X10663 GE Refrigerator Standoff312WR02X10695 GE Refrigerator Wheel614BUMPER616WR82X22566 GE Cover Access Assembly618WR02X10520 GE Refrigerator Fan Motor Grommet626WR23X10300 GE Refrigerator Power Cord Assembly628WR17X35527 GE Refrigerator Condenser Fan Shroud650WR60X10209 GE Refrigerator DC Condenser Fan Motor651WR60X24484 GE Refrigerator Condenser Fan Blade652WR02X12149 GE Refrigerator Ring683WR02X11027 GE Wire Tie684WR01X10654 GE Refrigerator Screw 10-32 TT HXW 5/16 S690WZ5X158D GE Screw Package of 12691WR02X10593 GE Refrigerator Bracket Condenser Fan (Rear)725WR87X20798 GE Refrigerator High Side Assembly729WR55X24064 GE Refrigerator Run Capacitor730GEN WR84X10086734WR02X12561 GE Clip Retainer735WR07X10131 GE Refrigerator Overload736GEN WR02X8203737WR02X22869 GE Refrigerator Grommet740WR86X25269 GE Refrigerator R134 Dryer741WR1X1779 GE Refrigerator Stud Mounting Compressor742GEN WR02X10587743GEN WR02X10588749GEN WR17X12508750WR1X1786 GE Refrigerator Screw753WR02X11863 GE Refrigerator Condenser Fan Bracket (Mounting)762WR14X10053 GE Refrigerator Foam Strip Adhesive764WR2X9000 GE Refrigerator Condenser Clip765BRACKET CONDENSER BAR801WR55X10832 GE Refrigerator Main Control Board Assembly802GEN WR23X10506803GEN WR02X12027