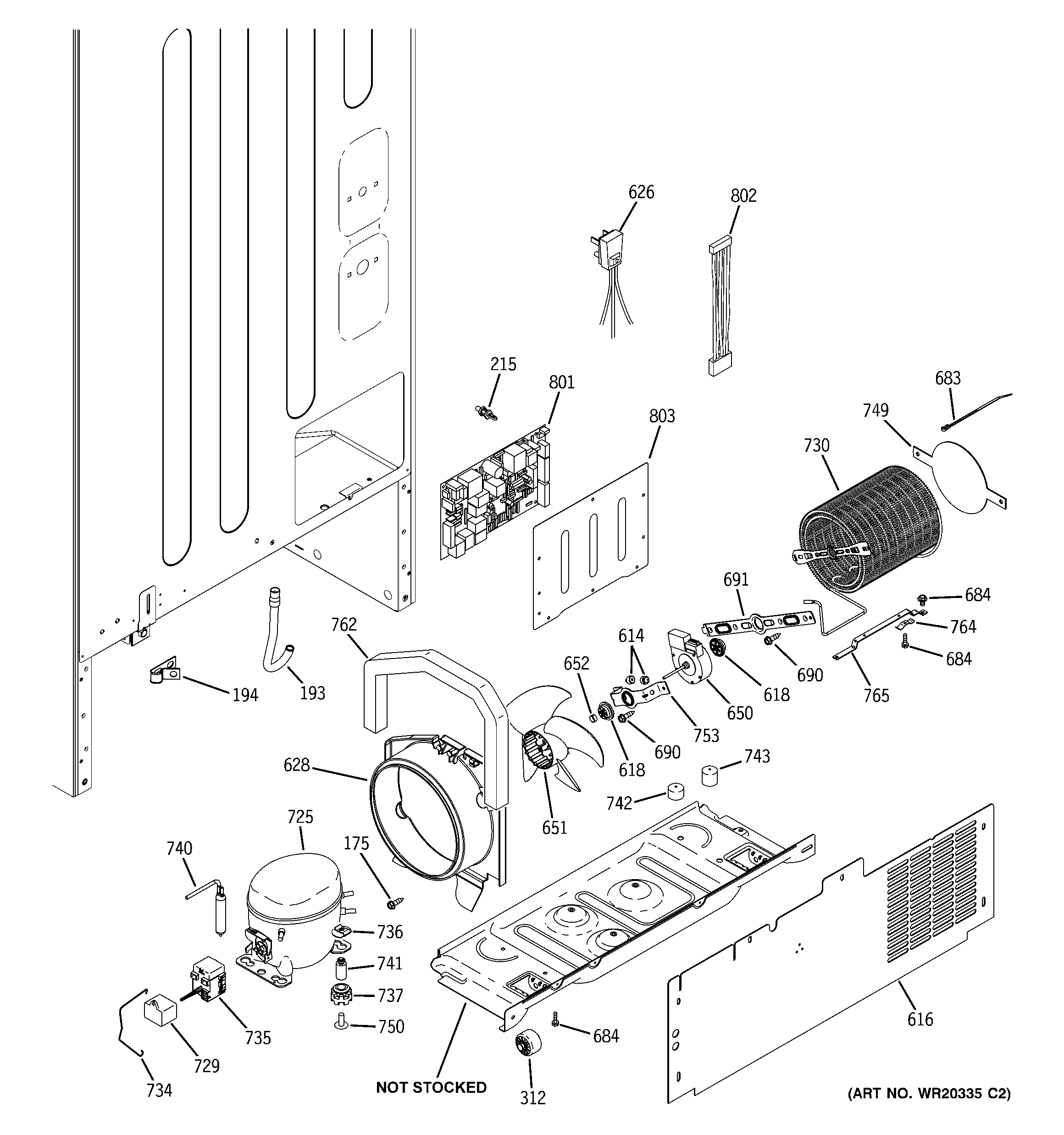
GDSC0KBXCRBB MACHINE COMPARTMENT