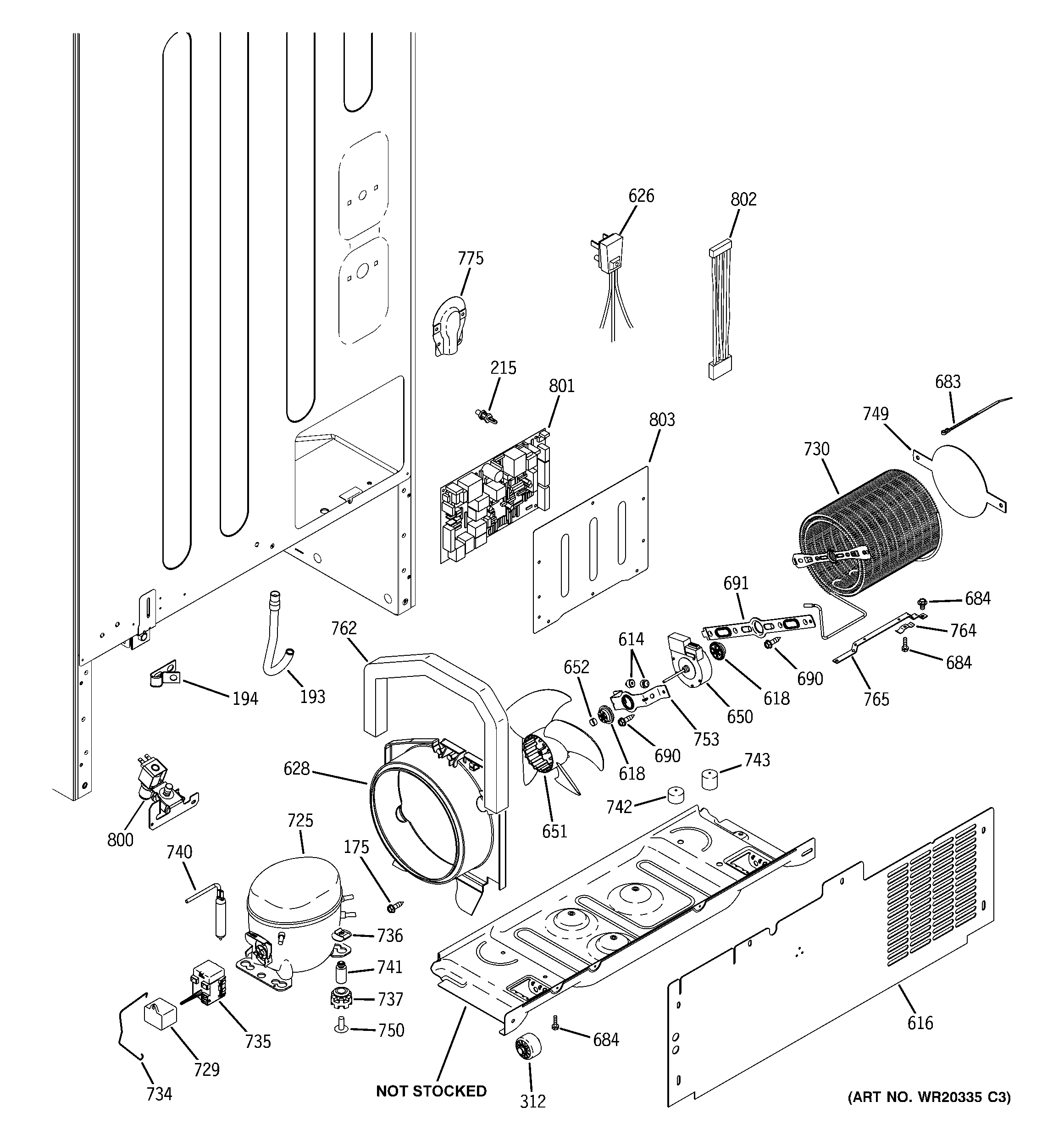
GDSC0KCXARWW MACHINE COMPARTMENT

GDSC0KCXARWW MACHINE COMPARTMENT

Products

PositionProduct
175WR01X10652 GE Refrigerator Screw 8-18 AB IHW 5/8 S
193TUBE DRAIN
194WR01X10684 GE Refrigerator Cable Clamp
215WR02X10663 GE Refrigerator Standoff
312WR02X10695 GE Refrigerator Wheel
614BUMPER
616WR82X22566 GE Cover Access Assembly
618WR02X10520 GE Refrigerator Fan Motor Grommet
626WR23X10300 GE Refrigerator Power Cord Assembly
628WR17X35527 GE Refrigerator Condenser Fan Shroud
628WR17X12668 GE Refrigerator Condenser Shroud
650WR60X10209 GE Refrigerator DC Condenser Fan Motor
651WR60X24484 GE Refrigerator Condenser Fan Blade
652WR02X12149 GE Refrigerator Ring
683WR02X11027 GE Wire Tie
684WR01X10654 GE Refrigerator Screw 10-32 TT HXW 5/16 S
690WZ5X158D GE Screw Package of 12
691WR02X10593 GE Refrigerator Bracket Condenser Fan (Rear)
725WR87X20798 GE Refrigerator High Side Assembly
729WR55X24064 GE Refrigerator Run Capacitor
730GEN WR84X10086
734WR02X12561 GE Clip Retainer
735WR07X10131 GE Refrigerator Overload
736GEN WR02X8203
737WR02X22869 GE Refrigerator Grommet
740WR86X25269 GE Refrigerator R134 Dryer
741WR1X1779 GE Refrigerator Stud Mounting Compressor
742GEN WR02X10587
743GEN WR02X10588
749GEN WR17X12508
750WR1X1786 GE Refrigerator Screw
753WR02X11863 GE Refrigerator Condenser Fan Bracket (Mounting)
762WR14X10053 GE Refrigerator Foam Strip Adhesive
764WR2X9000 GE Refrigerator Condenser Clip
765BRACKET CONDENSER BAR
775WR17X10796 GE Refrigerator Water Line Cover
800WR57X10086 GE Refrigerator Valve and Tube Assembly
801WR55X10832 GE Refrigerator Main Control Board Assembly
802GEN WR23X10506
803GEN WR02X12027