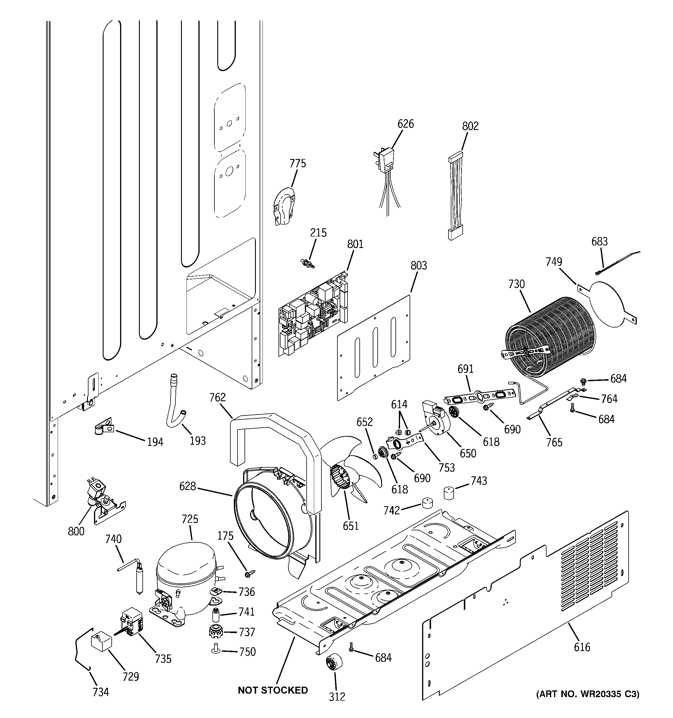
GDSC0KCXCRBB MACHINE COMPARTMENT

GDSC0KCXCRBB MACHINE COMPARTMENT