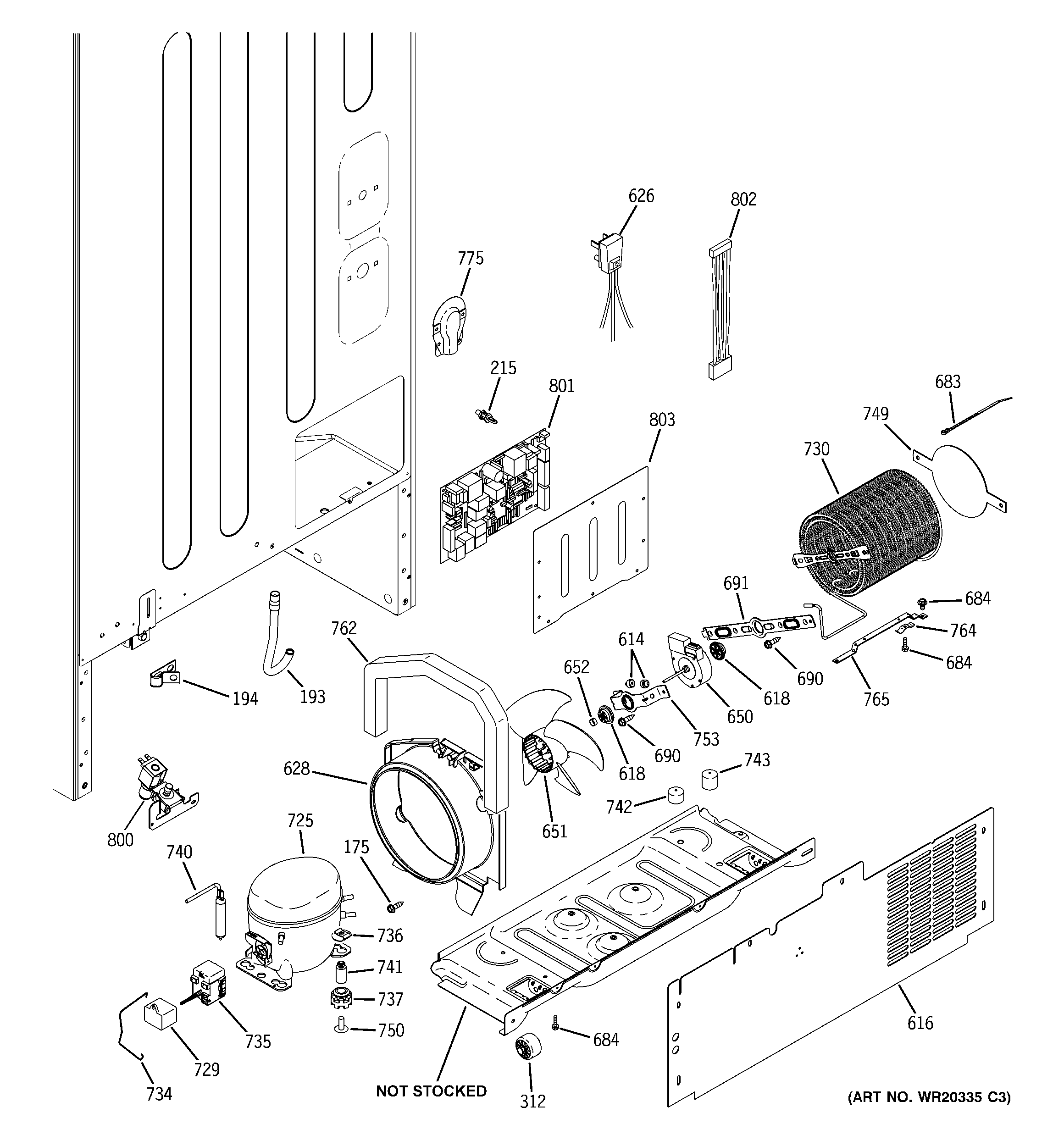
GDSC0KCXERBB MACHINE COMPARTMENT

GDSC0KCXERBB MACHINE COMPARTMENT