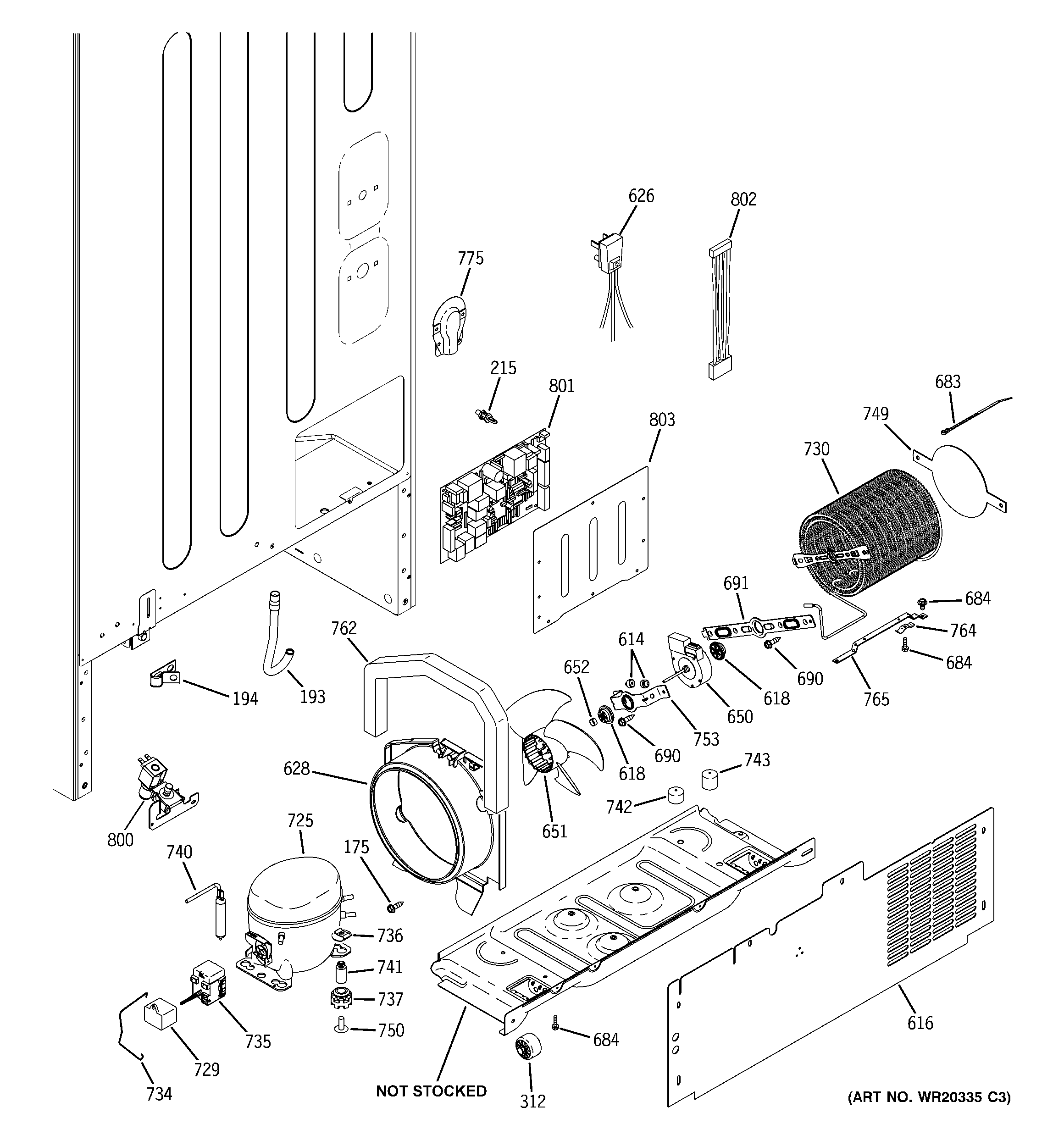
GDSL0KCXERLS MACHINE COMPARTMENT

GDSL0KCXERLS MACHINE COMPARTMENT