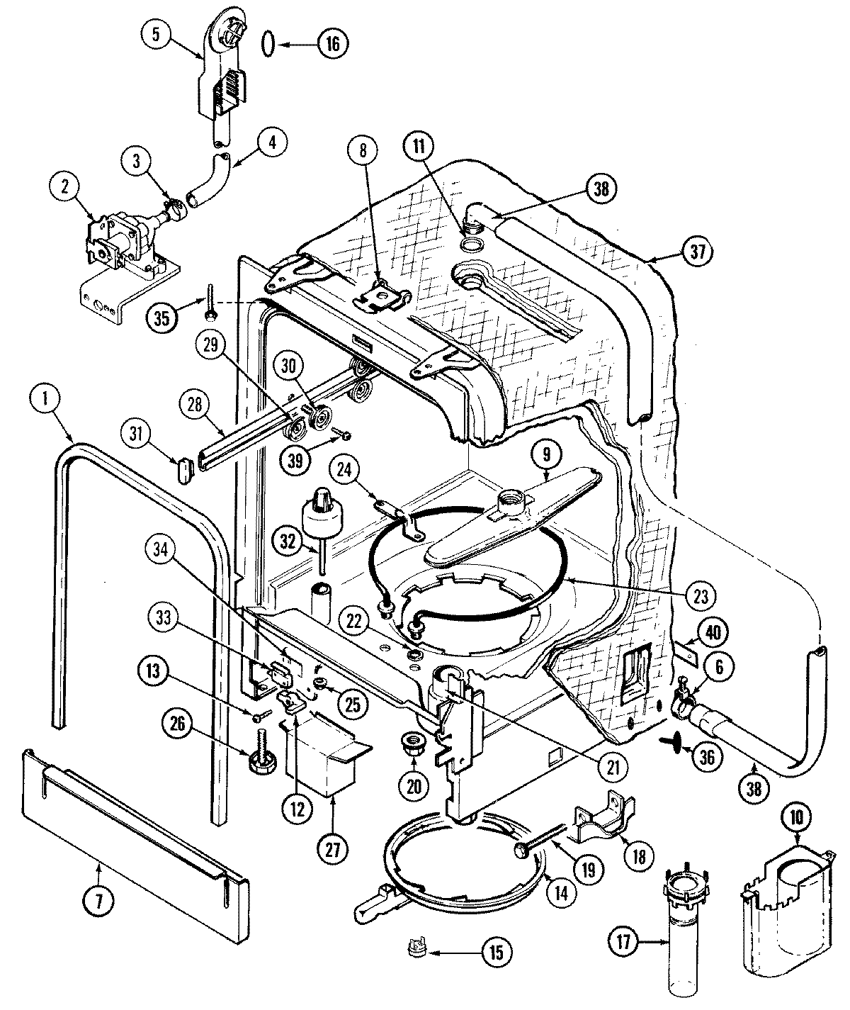
GDU20J-CN 06 – TUB