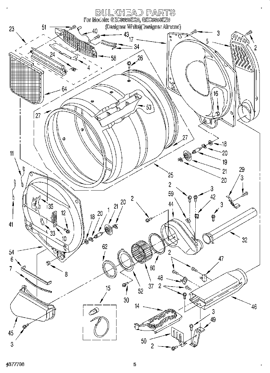
GEC9858EZ0 03 – BULKHEAD

GEC9858EZ0 03 – BULKHEAD

Products

PositionProduct
1SHAFT
2WP90767 Whirlpool Screw
3WP488729 Whirlpool Refrigerator Door Screw
4W11222846 Whirlpool Door
5WP3387911 Whirlpool Air Duct
6WP697813 Whirlpool Seal
8WP3359452 Whirlpool Nut
10Lens, Light
11Wire, Jumper (Brown)
12WP308685 Whirlpool Microwave Screw
14WP3387747 Whirlpool Dryer Heating Element
15279457 Whirlpool Dryer Heating Element Wide Spade Connection
16Nut, 3/8-16 (L.H.)
17W11299300 Whirlpool Bulkhead Assembly
18W11236646 Whirlpool Washer Assembly
19SHAFT
20WPW10512946 Whirlpool Dryer Tri-Ring Drum Roller
21WPW10314173 Whirlpool Dryer Drum Support Wheel
23W11129408 Whirlpool Out Housing
24WP3394986 Whirlpool Spring
25W10545924 Whirlpool Drum Assembly
26Screw
27280114 Whirlpool Dryer Drum Seal
29WP3395536 Whirlpool Clip Assembly
30303776 Whirlpool Dishwasher Screw
32279936 Whirlpool Exhaust Pipe
33WP3395618 Whirlpool Light Bulb
34WP3387223 Whirlpool Electrode Assembly
35Bracket, Lampholder
37WP697772 Whirlpool Dryer Blower Wheel
40Ground-Sensor
41Wire, Jumper (Black)
42WP3387134 Whirlpool Dryer Cycling Thermostat
44WP8544363 Whirlpool Housing
45Lint Duct Assembly
46W10802681 Whirlpool Box Assembly
47279769 Whirlpool Dryer Thermal Cut-Off Fuse Kit
48WP3390291 Whirlpool High Limit Thermostat
49Bracket, Heater
50Shield, Heat
51WP3387230 Whirlpool Screw
52279780 Whirlpool Plate Cover
53WPW10113136 Whirlpool Drum Baffle
54Bulkhead, Front
58Grill, Outlet
59WP3390719 Whirlpool Dryer Thermal Fuse
60WP697770 Whirlpool Blower Cover Plate Seal
62WP8566209 Whirlpool Seal
64W10120998 Whirlpool Dryer Lint Screen Filter