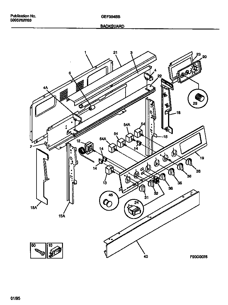
GEF354BBWA 02 – BACKGUARDadmin2025-04-26T12:11:14+00:00GEF354BBWA 02 – BACKGUARD ProductsPositionProduct*09640316021105 Frigidaire Oven Screw*09641WCI 53032815841WCI 3160752012WCI 3160159073BULB-FLUOR4ARECEPTACLE-LAMP, LH4RECEPTACLE-LAMP, RH6STARTER-LAMP10WCI 530305111512THERMOSTAT-OVEN13WCI 31602320014316022503 Frigidaire Light Lamp P-115AWCI 31602311115WCI 31602311018AEND CAP, LH18END CAP, RH19WCI 31601473320WCI 31601741521WCI 31601530022WCI 31601550023WCI 316015005245304527841 Frigidaire Oven Rocker Switch (Black)29WCI 31602900031WCI 31607142632WCI 31607142536WCI 31607142240WCI 31606232946WCI 316040200545303935086 Frigidaire Oven Top Burner Switch Kit54A316436001 Frigidaire Oven Range Infinite Burner Switch60WCI 5303288574