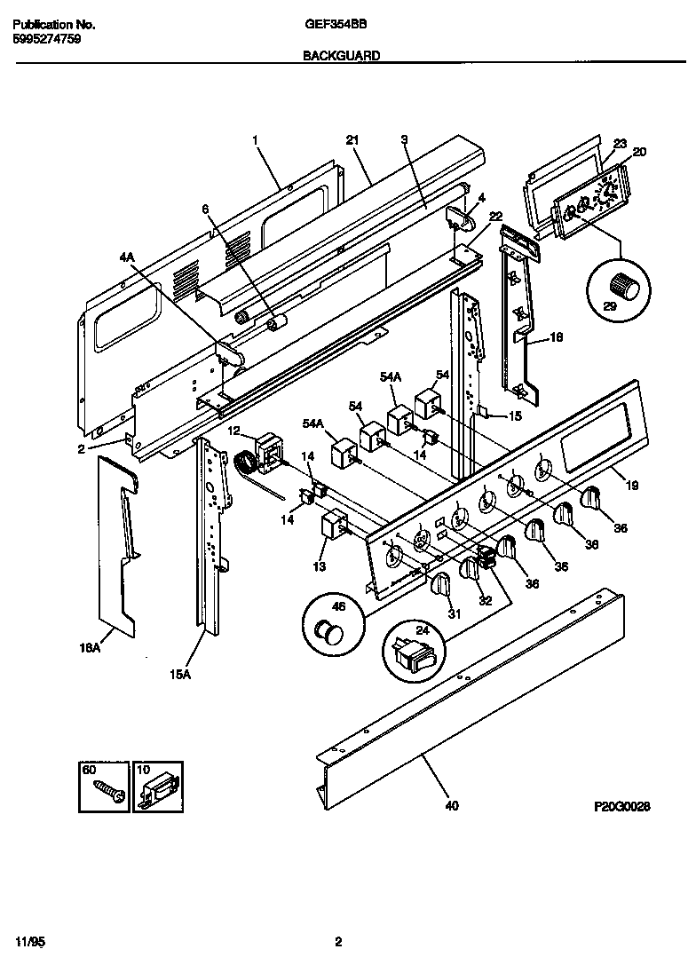
GEF354BBWC 02 – BACKGUARDadmin2025-04-26T12:10:21+00:00GEF354BBWC 02 – BACKGUARD ProductsPositionProduct*51800WCI 5303281584*51802SCREW-SWITCH MTG, 8-32 X 3/16, SW TO CNTL PNL, (8)*51801WCI 53032885741WCI 3160816012WCI 3160159073BULB-FLUOR4RECEPTACLE-LAMP, LH4RECEPTACLE-LAMP, RH6STARTER-LAMP10WCI 530305111512THERMOSTAT-OVEN13WCI 31602320014316022503 Frigidaire Light Lamp P-115WCI 31602311115WCI 31602311018END CAP, RH18END CAP, LH19WCI 31601473320WCI 31601741521WCI 31601530022WCI 31601550023WCI 316015005245304527841 Frigidaire Oven Rocker Switch (Black)29WCI 31602900031WCI 31608722632WCI 31608722536WCI 31608722240WCI 31606232946WCI 316040200545303935086 Frigidaire Oven Top Burner Switch Kit54316436001 Frigidaire Oven Range Infinite Burner Switch60316021105 Frigidaire Oven Screw