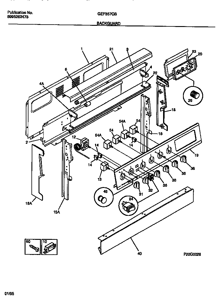
GEF357CBTA 02 – BACKGUARDadmin2025-04-26T12:08:45+00:00GEF357CBTA 02 – BACKGUARD ProductsPositionProduct*28002316021105 Frigidaire Oven Screw*28003WCI 5303281584*28001LENS-LIGHT/LAMP, INDICATOR*28000LIGHT/LAMP, IND, HOT SURFACE1WCI 3160752012WCI 3160159053BULB-FLUOR4ARECEPTACLE-LAMP, LH4RECEPTACLE-LAMP, RH6STARTER-LAMP10WCI 530305111512THERMOSTAT-OVEN13WCI 31602320014316022503 Frigidaire Light Lamp P-115WCI 31602311015AWCI 31602311118WCI 31601540818AWCI 31601540919WCI 31601473520WCI 31601741721WCI 31601530422WCI 31601550023WCI 31601500524SWITCH-ROCKER,OVEN LIGHT ,ALMOND29WCI 31602900431WCI 31607143032WCI 31607142936WCI 31607142440WCI 31606401546WCI 316040200545303935086 Frigidaire Oven Top Burner Switch Kit54A316436001 Frigidaire Oven Range Infinite Burner Switch60WCI 5303288574