GEQ8811PG0 03 – BULKHEAD PARTS

GEQ8811PG0 03 – BULKHEAD PARTS

Products

PositionProduct
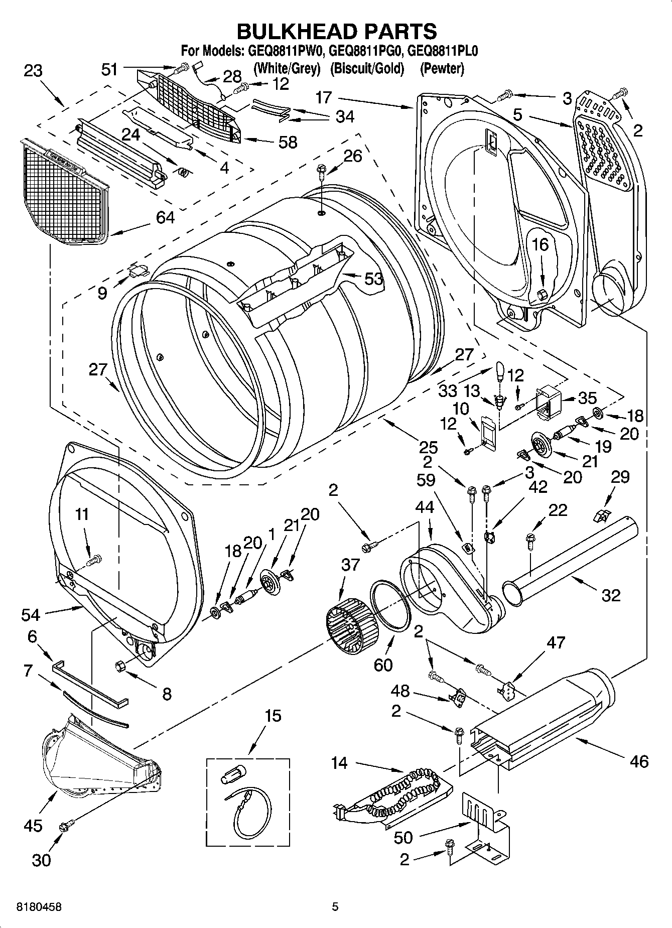
1SHAFT
2WP90767 Whirlpool Screw
3WP488729 Whirlpool Refrigerator Door Screw
4W11222846 Whirlpool Door
5WP3387911 Whirlpool Air Duct
6WP697813 Whirlpool Seal
8WP3359452 Whirlpool Nut
98066086 Whirlpool Plug
10W11226088 Whirlpool Lens Assembly
13W11700522 Whirlpool Socket
14WP3387747 Whirlpool Dryer Heating Element
15279457 Whirlpool Dryer Heating Element Wide Spade Connection
16Nut, 3/8-16 (L.H.)
17W11299301 Whirlpool Bulkhead Assembly
18W11236646 Whirlpool Washer Assembly
19SHAFT
20WPW10512946 Whirlpool Dryer Tri-Ring Drum Roller
21WPW10314173 Whirlpool Dryer Drum Support Wheel
22WPW10139210 Whirlpool Screw
23W11129408 Whirlpool Out Housing
24WP3394986 Whirlpool Spring
25W10545923 Whirlpool Drum Assembly
26WPW10109200 Whirlpool Screw
27280114 Whirlpool Dryer Drum Seal
28Ground-Sensor
29WP3388229 Whirlpool Dryer Spring Clip
30W11693756 Whirlpool Screw Assembly
32279936 Whirlpool Exhaust Pipe
33WP22002263 Whirlpool Dryer 10W Light Bulb
34WP3387223 Whirlpool Electrode Assembly
353977373 Whirlpool Bracket
37WP697772 Whirlpool Dryer Blower Wheel
42WP8318268 Whirlpool Thermostat
44W10888146 Whirlpool Housing
45WPW10128606 Whirlpool Lint Duct
46W10802681 Whirlpool Box Assembly
47279769 Whirlpool Dryer Thermal Cut-Off Fuse Kit
48WP3390291 Whirlpool High Limit Thermostat
508066099 Whirlpool Bracket
51WP3387230 Whirlpool Screw
53WPW10113136 Whirlpool Drum Baffle
54WP697557 Whirlpool Bulkhead Assembly
58W11086603 Whirlpool Dryer Link Screen Air Grille
59WP3392519 Whirlpool Dryer Thermal Fuse
60WP697770 Whirlpool Blower Cover Plate Seal
648212450A Whirlpool Dryer Rack Assembly
64799344 Whirlpool Refrigerator Paint
6472017 Whirlpool Appliance Touch-Up Paint White
64350938 Whirlpool Spray Gun
64PAINT, PRESSURIZED SPRAY (12 oz.) (Pewter)
64WP4396174 Whirlpool Touch-Up Paint
64350930 Whirlpool White Spray Paint
644392899 Whirlpool Biscuit Touch-Up Paint
644392901 Whirlpool Biscuit Spray Paint
64PAINT, BULK (1 QT.) (BISCUIT (UNCUT))
64W11224254 Whirlpool Test Kit
64W10120998 Whirlpool Dryer Lint Screen Filter
644392067 Whirlpool Dryer Repair Kit
64WPL ARI64802A8