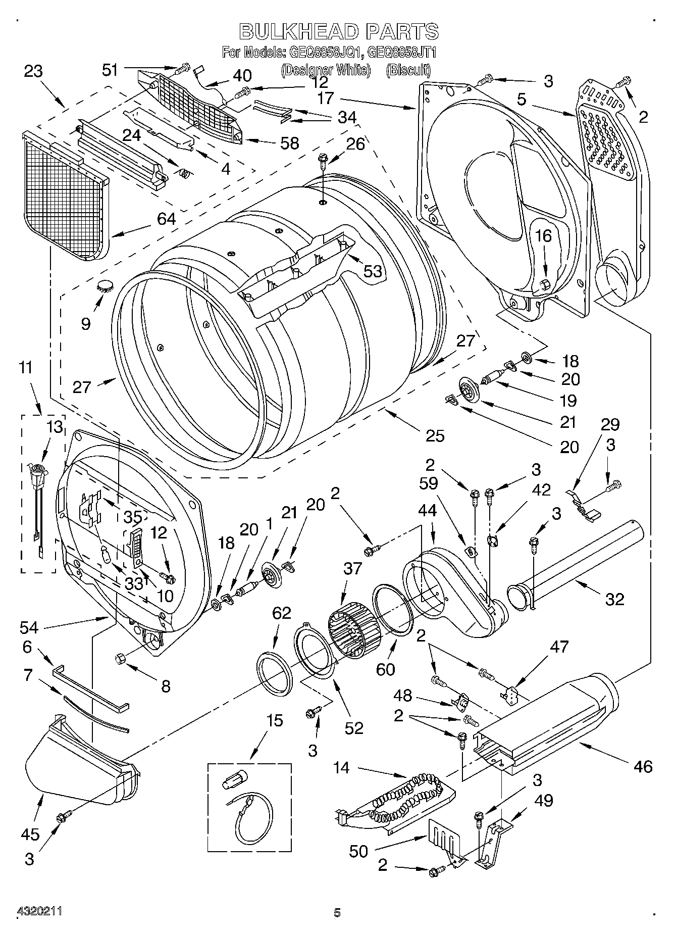
| 1 | SHAFT |
| 2 | WP90767 Whirlpool Screw |
| 3 | WP488729 Whirlpool Refrigerator Door Screw |
| 4 | W11222846 Whirlpool Door |
| 5 | WP3387911 Whirlpool Air Duct |
| 6 | WP697813 Whirlpool Seal |
| 8 | WP3359452 Whirlpool Nut |
| 9 | 8066086 Whirlpool Plug |
| 10 | Lens, Light |
| 11 | Reflector, Assembly |
| 13 | Socket, Light |
| 14 | WP3387747 Whirlpool Dryer Heating Element |
| 15 | 279457 Whirlpool Dryer Heating Element Wide Spade Connection |
| 16 | Nut, 3/8-16 (L.H.) |
| 17 | W11299300 Whirlpool Bulkhead Assembly |
| 18 | W11236646 Whirlpool Washer Assembly |
| 19 | SHAFT |
| 20 | WPW10512946 Whirlpool Dryer Tri-Ring Drum Roller |
| 21 | WPW10314173 Whirlpool Dryer Drum Support Wheel |
| 23 | W11129408 Whirlpool Out Housing |
| 24 | WP3394986 Whirlpool Spring |
| 25 | W10545924 Whirlpool Drum Assembly |
| 26 | WPW10109200 Whirlpool Screw |
| 27 | 280114 Whirlpool Dryer Drum Seal |
| 29 | WP3395536 Whirlpool Clip Assembly |
| 32 | 279936 Whirlpool Exhaust Pipe |
| 33 | WP22002263 Whirlpool Dryer 10W Light Bulb |
| 34 | WP3387223 Whirlpool Electrode Assembly |
| 35 | Reflector |
| 37 | WP697772 Whirlpool Dryer Blower Wheel |
| 40 | Ground-Sensor |
| 42 | WP8318268 Whirlpool Thermostat |
| 44 | WP8544363 Whirlpool Housing |
| 45 | Lint Duct Assembly |
| 46 | W10802681 Whirlpool Box Assembly |
| 47 | 279769 Whirlpool Dryer Thermal Cut-Off Fuse Kit |
| 48 | WP3390291 Whirlpool High Limit Thermostat |
| 49 | Bracket, Heater |
| 50 | Shield, Heat |
| 51 | WP3387230 Whirlpool Screw |
| 52 | 279780 Whirlpool Plate Cover |
| 53 | WPW10113136 Whirlpool Drum Baffle |
| 54 | Bulkhead, Front |
| 58 | W11086603 Whirlpool Dryer Link Screen Air Grille |
| 59 | WP3390719 Whirlpool Dryer Thermal Fuse |
| 60 | WP697770 Whirlpool Blower Cover Plate Seal |
| 62 | WP8566209 Whirlpool Seal |
| 64 | W10120998 Whirlpool Dryer Lint Screen Filter |