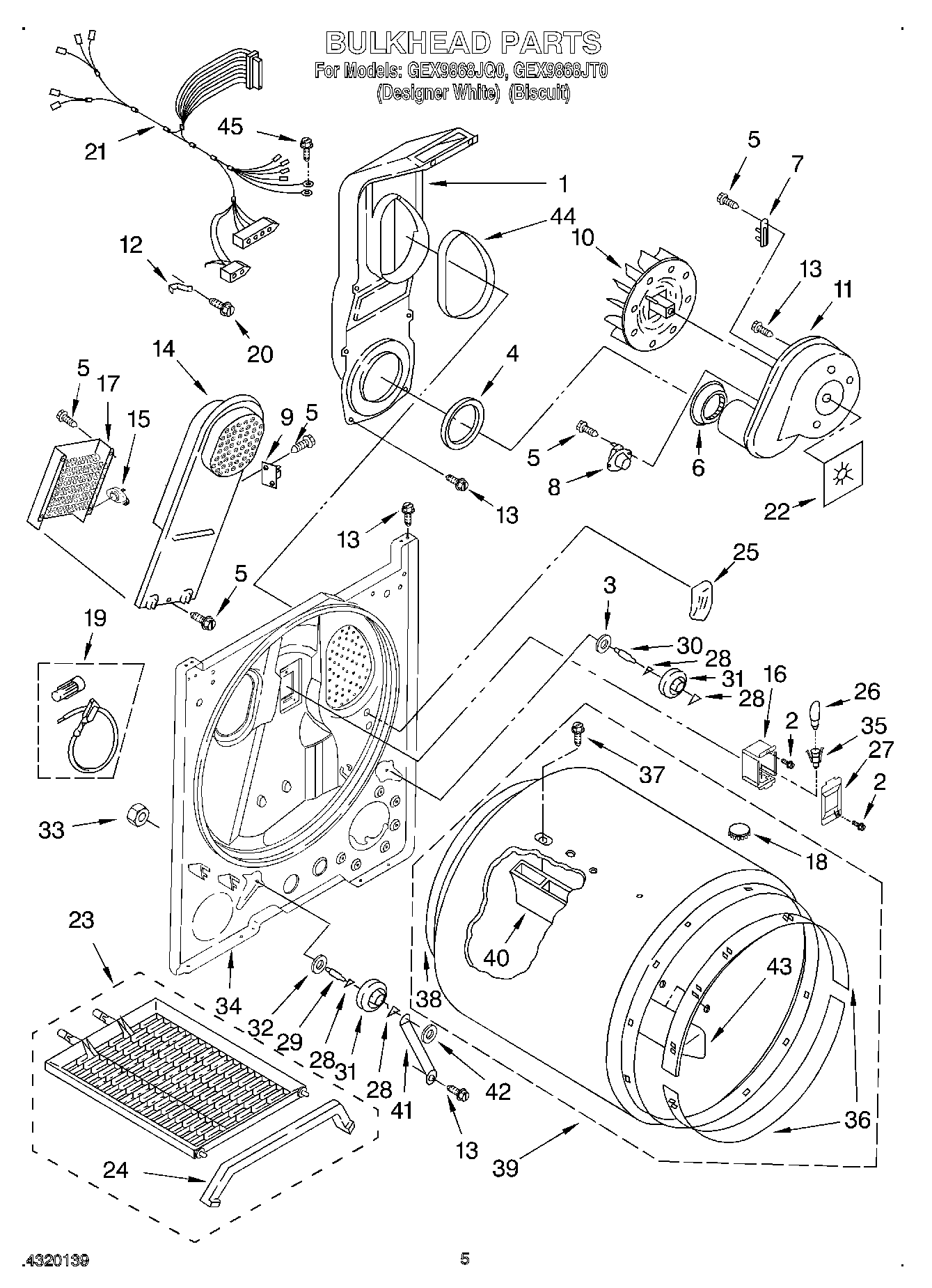
GEX9868JQ0 03 – BULKHEAD

GEX9868JQ0 03 – BULKHEAD