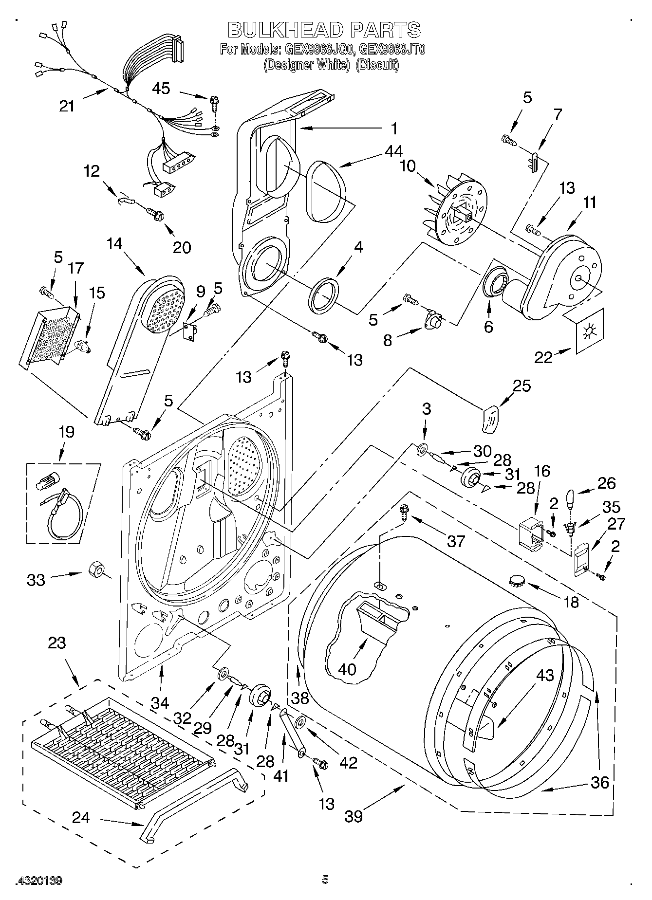
GEX9868JT0 03 – BULKHEAD

GEX9868JT0 03 – BULKHEAD