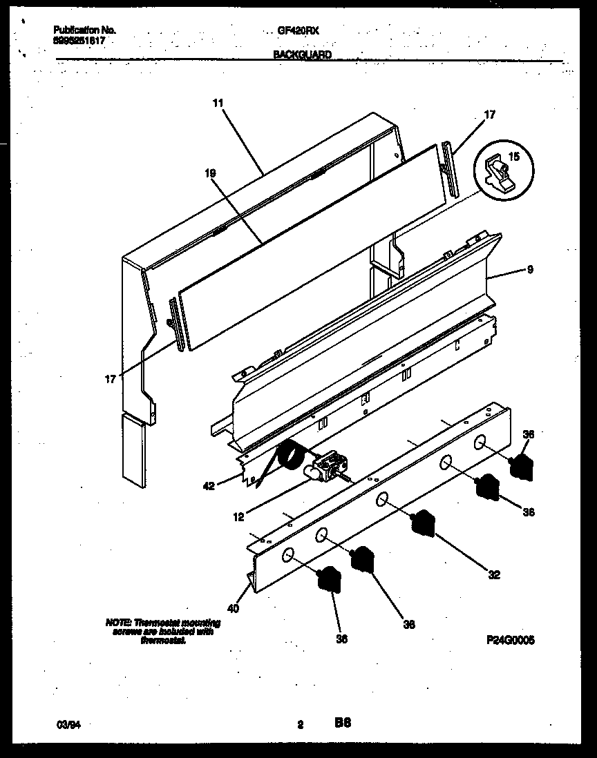
GF420RXW3 02 – BACKGUARD
Products
| Position | Product |
|---|---|
| 9 | TRIM-SPLASHER, ALMOND |
| 11 | WCI 3206461 |
| 12 | WCI 5303935014 |
| 15 | SUPPORT-BACKGUARD,(2) |
| 17 | TRIM-GLASS RTNR. LH & RH |
| 19 | WCI 316045801 |
| 32 | WCI 5303295884 |
| 36 | WCI 5303211139 |
| 40 | WCI 5303211141 |
| 42 | WCI 3131241 |
GF420RXW3 02 – BACKGUARD
| Position | Product |
|---|---|
| 9 | TRIM-SPLASHER, ALMOND |
| 11 | WCI 3206461 |
| 12 | WCI 5303935014 |
| 15 | SUPPORT-BACKGUARD,(2) |
| 17 | TRIM-GLASS RTNR. LH & RH |
| 19 | WCI 316045801 |
| 32 | WCI 5303295884 |
| 36 | WCI 5303211139 |
| 40 | WCI 5303211141 |
| 42 | WCI 3131241 |