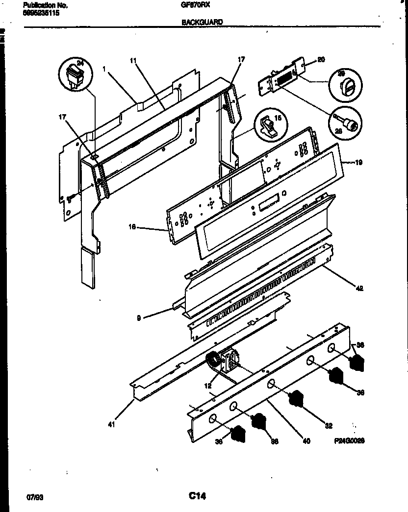
| 1 | SHIELD-BACKGUARD, REAR WALL |
| 9 | TRIM-SPLASHER, WHITE |
| 11 | WCI 3206432 |
| 12 | 316032411 Frigidaire Stove Temperature Control Thermostat |
| 15 | SUPPORT-BACKGUARD,(2) |
| 16 | WCI 5303274090 |
| 17 | TRIM-GLASS RTNR. LH & RH |
| 19 | WCI 316045802 |
| 20 | WCI 5303272309 |
| 24 | 5308015487 Frigidaire Switch-Oven Light |
| 28 | BUTTON-CLOCK |
| 29 | KNOB-TIMER BUTTON |
| 32 | WCI 5303212899 |
| 36 | WCI 5303212749 |
| 40 | WCI 5303211153 |
| 41 | WCI 3203443 |
| 42 | WCI 3131241 |