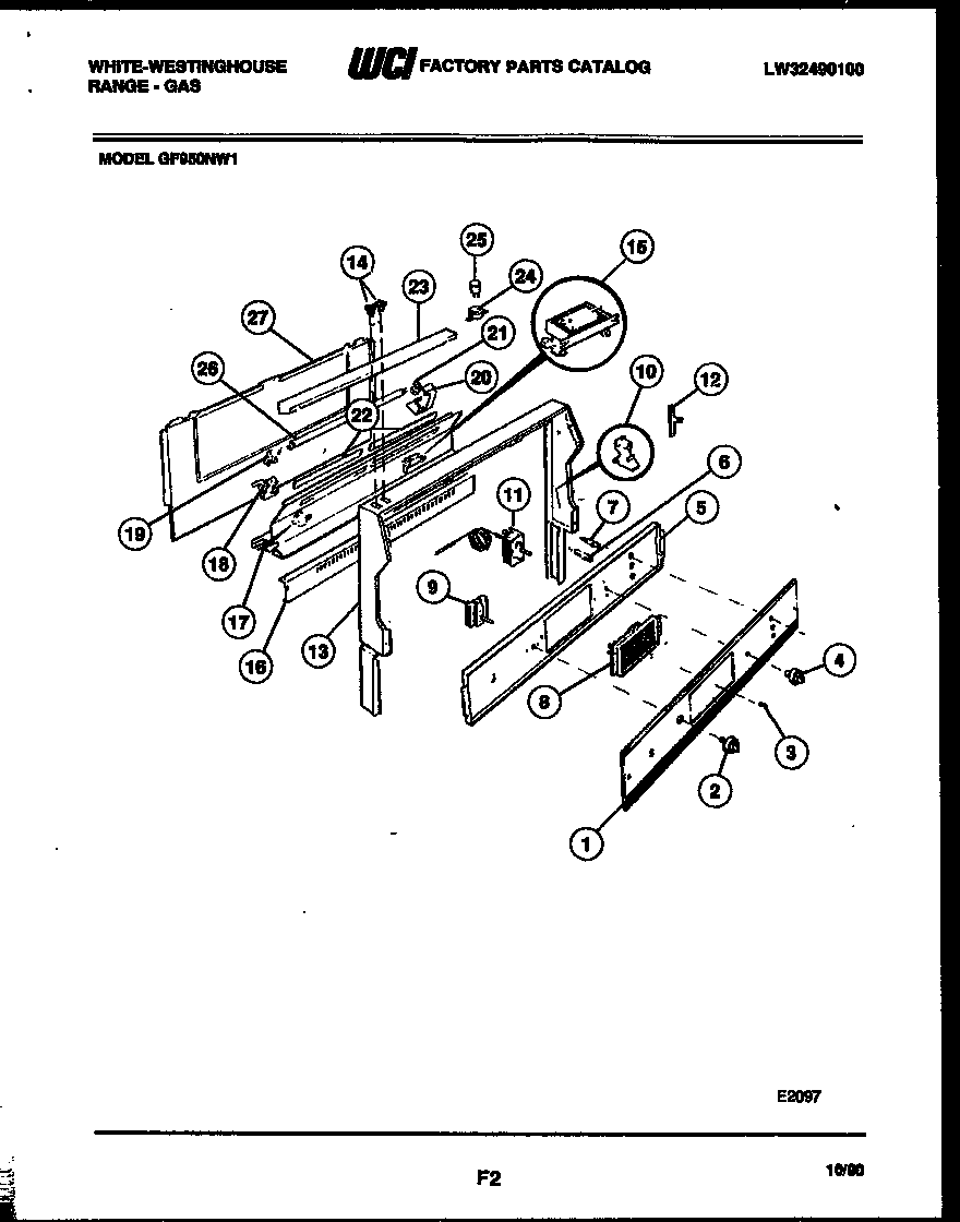
GF950NW1 02 – CONTROL PANELadmin2025-04-26T09:25:24+00:00GF950NW1 02 – CONTROL PANEL ProductsPositionProduct*38239WCI 3018820*38238WCI 32047451WCI 53032127542WCI 53032127573WCI 53032127564WCI 53032127585WCI 31312346WCI 53080378967INDICATOR LIGHT-LOCK (1)8WCI 53032127529SWITCH SELECTOR 5 POS.10SUPPORT-BACKGUARD,(2)11WCI 320319912TRIM-GLASS RTNR. LH & RH13WCI 5303208902145308015487 Frigidaire Switch-Oven Light15WCI 530305111516WCI 313124117WCI 530321281418BRKT-FLUOR LT MTG LH19RECEPTACLE-FLU LT RH20BRKT-FLUOR LT MTG RH21RECEPTACLE-FLU LT LH22GLASS-WORK LITE (2)23SHIELD - FLUOR. LT24RECEPTACLE, STARTER25STARTER-LAMP26BULB-FLUOR27SHIELD-BACKGUARD,REAR WALL