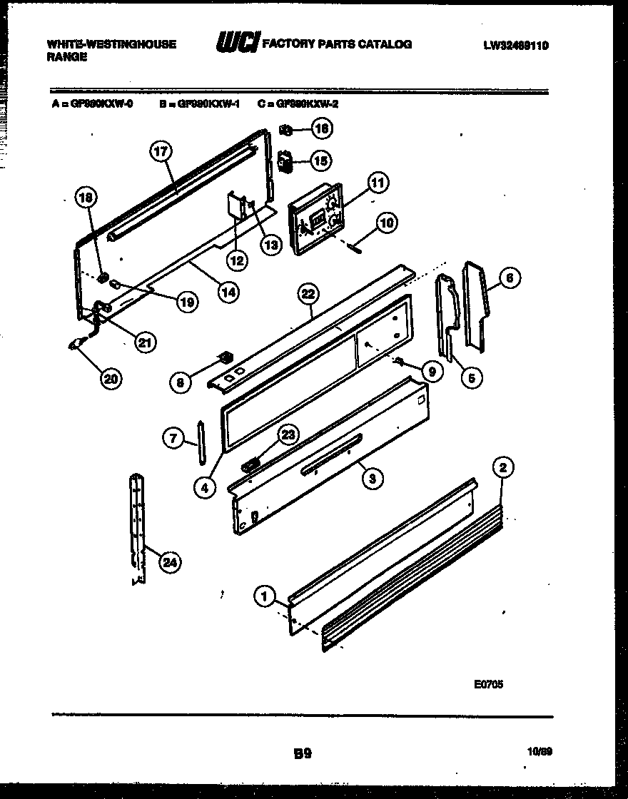
GF980KXW0 02 – BACKGUARD