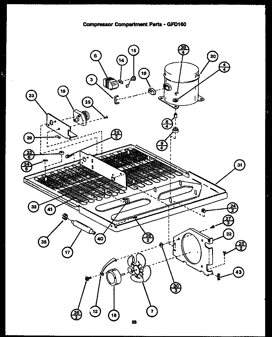
GFD160 01 – COMPRESSOR COMPARTMENT PARTS