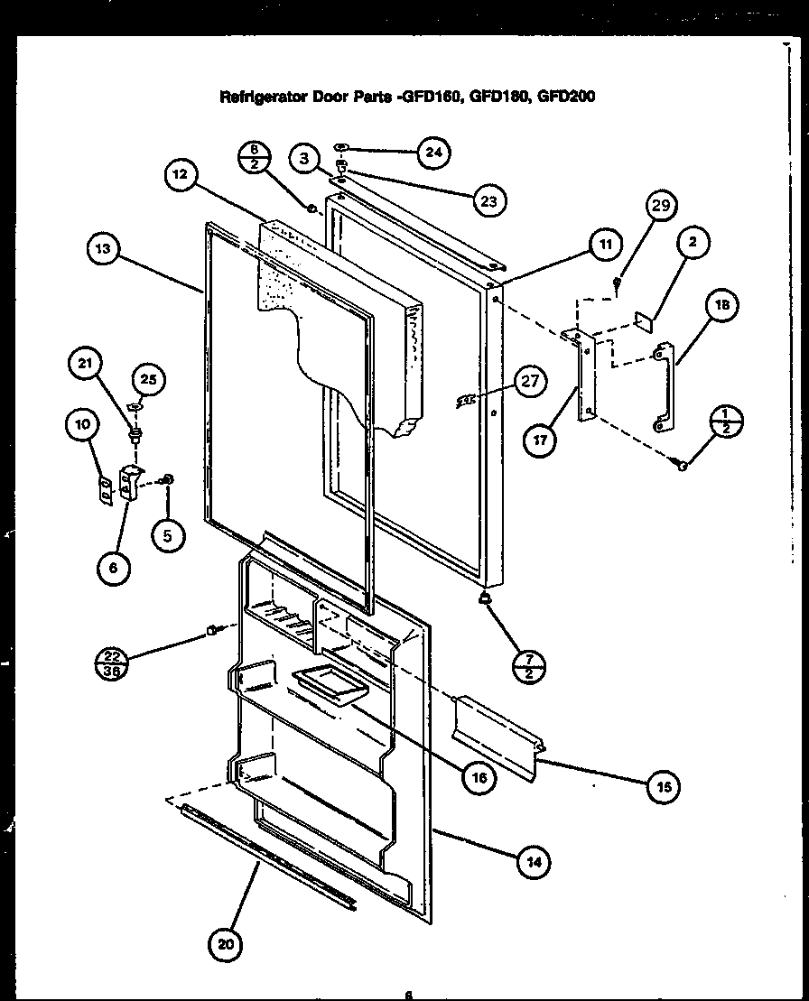
GFD160 07 – REF DOOR PARTS