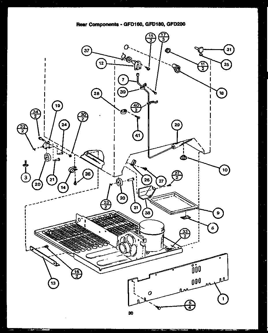
GFD180 06 – REAR COMPONENTSadmin2025-04-26T08:58:27+00:00GFD180 06 – REAR COMPONENTS ProductsPositionProduct1MAY Y00544165MAY 546017MAY 545318MAY 543409MAY 005448010MAY 5419411MAY 5419512MAY 5439013MAY 5442414MAY 5456615MAY Y5458716MAY Y9065618MAY 5435419MAY 5439820MAY Y005462221MAY Y005462523MAY Y005462424MAY Y005462625MAY 5461926MAY 5456827MAY Y9065328MAY Y5456729MAY Y005418330MAY Y005461631MAY 5437033MAY 5459934MAY Y005457936MAY 5459837MAY 5430438MAY 5453339MAY 5436840MAY Y5438741MAY Y90413