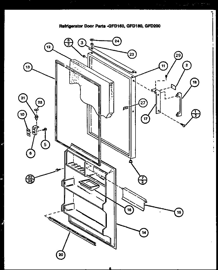
GFD180 07 – REF DOOR PARTSadmin2025-04-26T08:57:39+00:00GFD180 07 – REF DOOR PARTS ProductsPositionProduct1MAY 00545912MAY 00544373MAY 544105MAY Y00546046MAY Y00544047MAY 544118MAY 54673W8MAY 54673L10MAY Y005434710MAY Y005434810MAY Y005434911MAY 54669W11MAY 54669L12MAY 5433313MAY Y005451814MAY 005455315MAY 005451516MAY Y005444217MAY 005445618MAY Y005445320MAY 5442021MAY 005440522MAY 5459023MAY Y005439224MAY 5461125MAY 5461227MAY Y005438229MAY 0054578