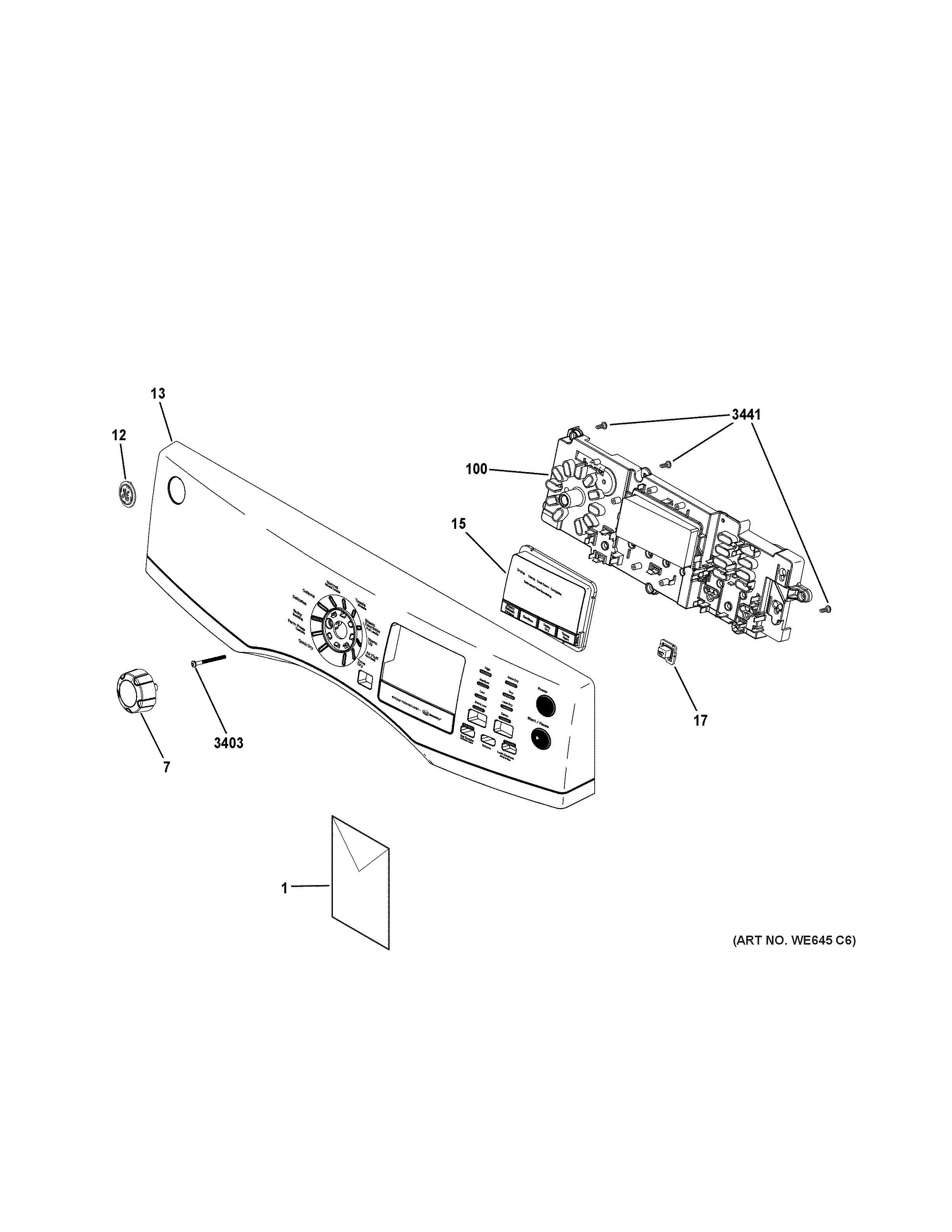
GFD43ESSM1WW CONTROLS & BACKSPLASHadmin2025-04-26T10:27:45+00:00GFD43ESSM1WW CONTROLS & BACKSPLASH ProductsPositionProduct1PUB NUMBER MINI MANUAL1PUB NUMBER MANUAL USE AND CARE1PM INSTALLATION INSTRUCT7WE01X21167 GE Washer Knob12BADGE13WE20X27597 GE Control Panel Assembly15WE04X23598 GE Display and Buttons Assembly17WE04X26634 GE ADD Time Button Assembly100WE04X29099 GE Chassis and Board Assembly3403WE2M264 GE Knob Center Screw Assembly3441WE2M211 GE Front Screw