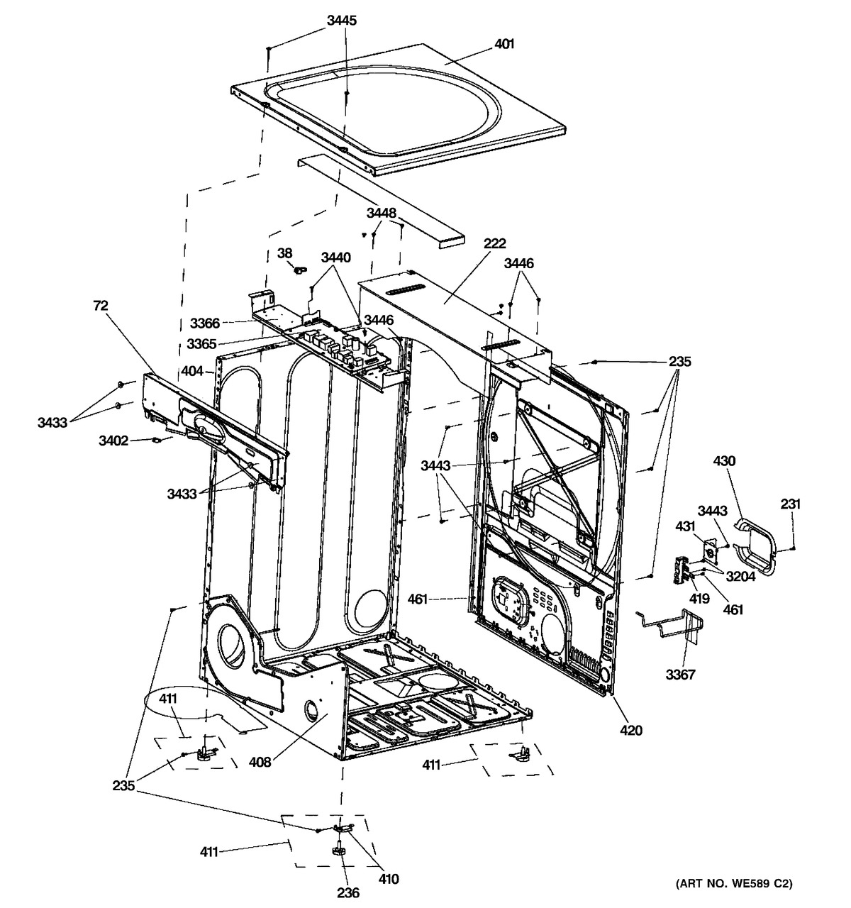
GFDN245EL0BB CABINET & TOP PANELadmin2025-04-26T10:30:52+00:00GFDN245EL0BB CABINET & TOP PANEL ProductsPositionProduct38CONNECTOR MODEL SELECT72GEN WE1M926222WE1M585 GE Rear Plate231WD02X10057 GE Dishwasher Screw 10-16 x 1235WE2X263D GE Screw Package 12 C92236WE1M642 GE Washer Leveling Leg401GEN WE20M450401GEN WE20M452401GEN WE20M455401GEN WE20M448401GEN WE20M445404GEN WE20M10002404GEN WE20M10001404WE20M400 GE White Side Panel404GEN WE20M453404GEN WE20M446408WE20M429 GE Dryer Bottom Chassis410WE1M528 GE Level Leg Rear Bracket411WE1M468 GE Leveling Screw Bracket419WE4M325 GE Dryer Terminal Block and Ground Strap420PANEL REAR 6 CU FT430WE1M1102 GE Washer Cover Terminal Block431WE01X20423 GE Strain Relief Bracket461WZ5X158D GE Screw Package of 123204WZ4X241D GE Screw Package3365WE4M511 GE Main Power Board Assembly3366WE1M864 GE Main Power Board3367GEN WE1M5873402ENCLOSED SCREW GROMMET3433WE2M278 GE Screw 8-18 AB PNQ2 1/4 S Z3440WE2M173 GE Screw3443WE1M280 GE Screw3445WE02X25454 GE Screw 10-16 A TRQ2 1-1/4 S3446WE2M223 GE Screw3448WASHER DAMP. BAND