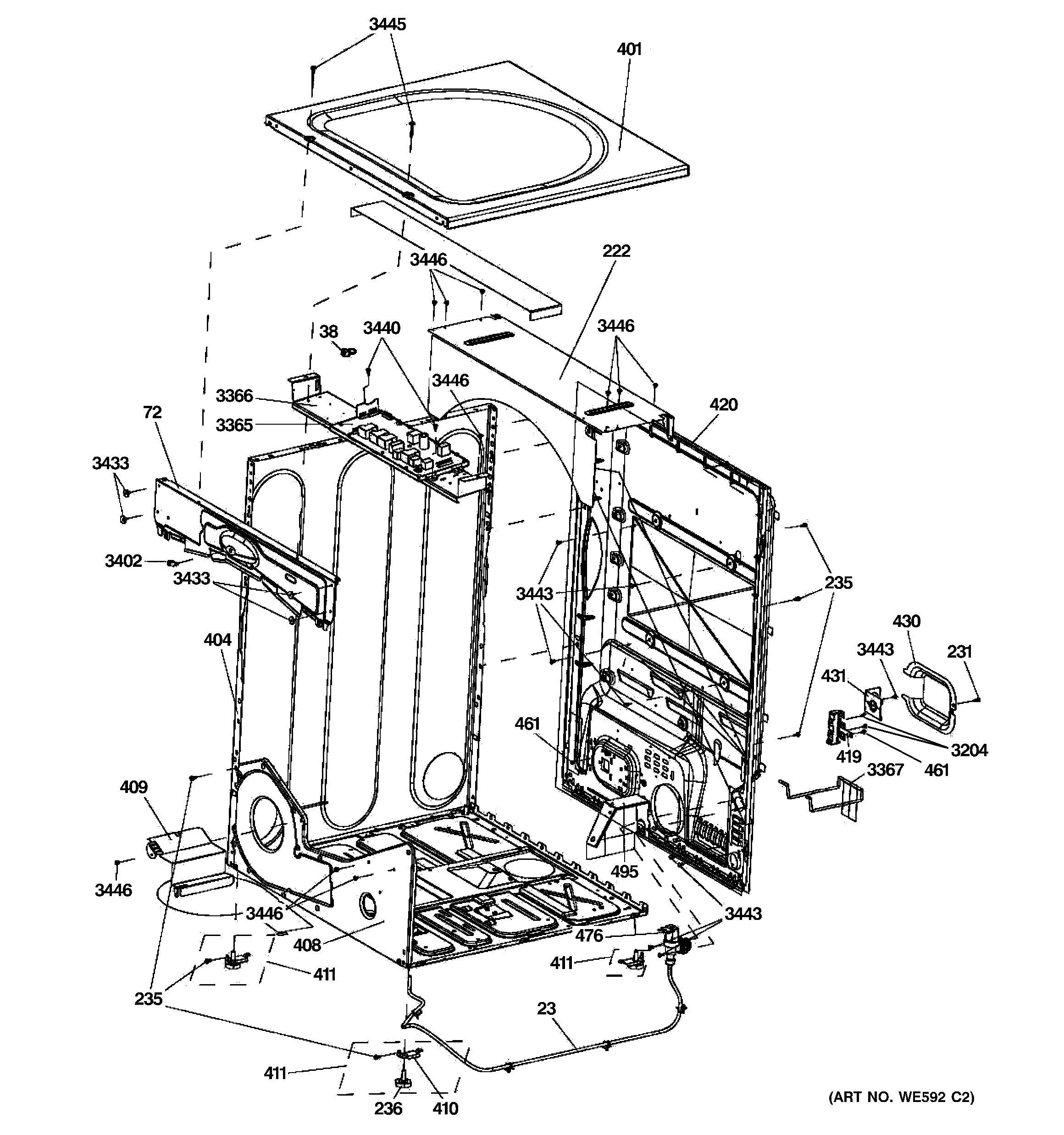
GFDS155ED0MS CABINET & TOP PANEL