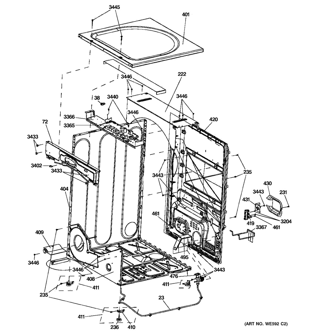
GFDS355EL0BB CABINET & TOP PANEL