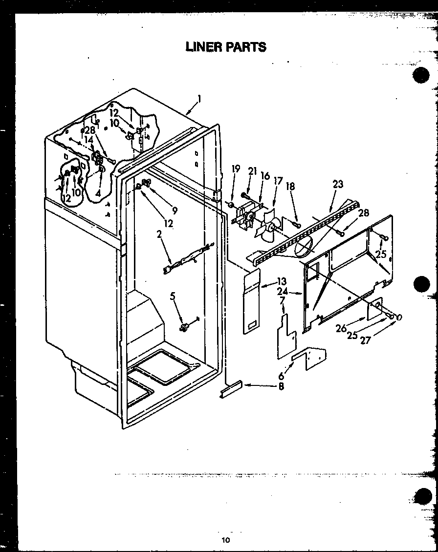
GFS208 04 – LINER PARTSadmin2025-04-26T08:58:27+00:00GFS208 04 – LINER PARTS ProductsPositionProduct2MAY Y00568064MAY Y00566555MAY Y00569286MAY Y00568247MAY Y00568198MAY Y00568299MAY Y005671710MAY Y005671810MAY Y005671912MAY 5671613MAY Y005677214MAY 005666516MAY Y005680117MAY 5674018MAY Y005651119MAY Y005658121MAY 5655723MAY Y031118224MAY Y031116025MAY 5653426MAY Y031164927MAY Y005674328MAY Y0056568