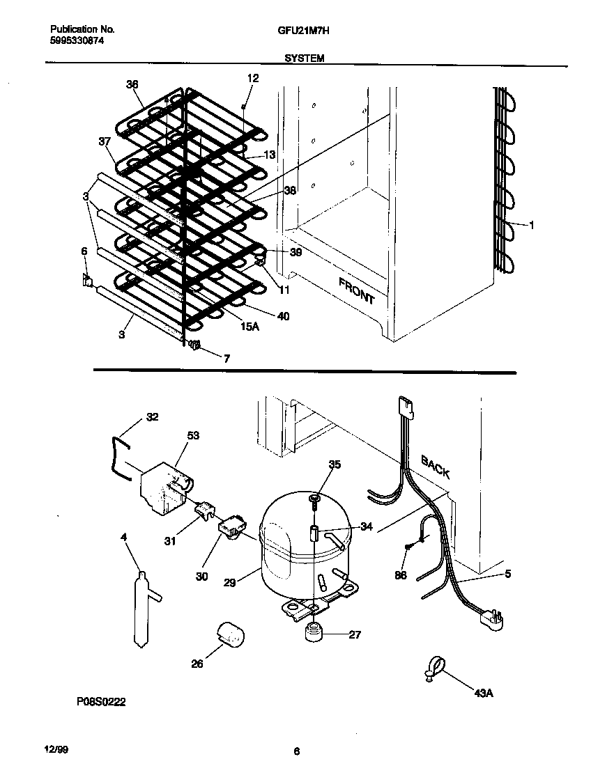
| 1 | 5300083897 Frigidaire Refrigerator Condenser P1 O/S2 |
| 3 | 5304509723 Frigidaire Refrigerator Trim |
| 4 | 5303305677 Frigidaire Replacement Filter Dryer Filters |
| 5 | WCI 216681700 |
| 6 | 297001600 Frigidaire Shelf Support |
| 7 | 297001500 Frigidaire Shelf Support |
| 11 | SUPPORT-REAR SHELF |
| 12 | GROMMET-SPACER |
| 13 | WCI 216138900 |
| 15 | WCI 216401500 |
| 26 | WCI 216511900 |
| 27 | 216498900 Frigidaire Refrigerator Grommet |
| 29 | 5304511983 Frigidaire Refrigerator Compressor Assembly Kit |
| 30 | 216594300 Frigidaire Refrigerator Starter |
| 31 | WCI 216100115 |
| 32 | 5303006412 Frigidaire Refrigerator Cover Mounting Strap |
| 34 | SLEEVE-COMPRESSOR |
| 35 | SCREW, LND HEX SEMS, 1/4-28 UNFX, COMPRESSOR |
| 36 | 5304506302 Frigidaire Refrigerator Evaporator |
| 38 | WCI 216071100 |
| 43 | 297315800 Frigidaire Refrigerator Clip |
| 53 | WCI 08006982 |
| 86 | 216036601 Frigidaire Refrigerator Screw |