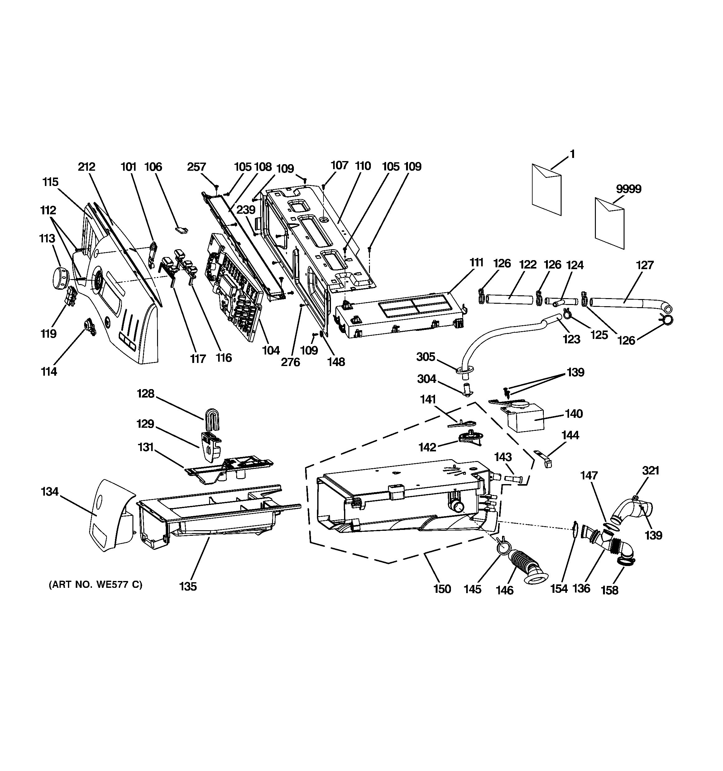
GFWH2405L0MG CONTROLS & DISPENSERadmin2025-04-26T08:41:55+00:00GFWH2405L0MG CONTROLS & DISPENSER ProductsPositionProduct1GEN 49-903901GEN 31-306231GEN 49-90390-1101GEN WH01X10565104GEN WH12X10482105WH02X10181 GE Screw ST3.5 x 11106GEN WH01X10563107WH02X10183 GE Screw ST4 13108GEN WH16X10138109WH02X10184 GE Screw 4.2 x 13110GEN WH46X10240111GEN WH12X10483112WH02X10185 GE Screw ST4 25113GEN WH11X10059114GEN WH01X10570115GEN WH42X10850115GEN WH42X10849115GEN WH42X10852115GEN WH42X10851115GEN WH42X10853116GEN WH01X10557117GEN WH01X10569119GEN WH01X10564122GEN WH41X10108123GEN WH41X10109124GEN WH41X10110125GEN WH01X10243126WH01X10244 GE Pipe Clamp 3-Way127GEN WH41X10111128WH41X10179 GE Siphon Pipe129WH41X10264 GE Liquid Detergent Insert131WH41X10181 GE Bleach Softener Cover134GEN WH41X10255134GEN WH41X10254134GEN WH41X10252134GEN WH41X10253134GEN WH41X10256135WH41X10185 GE Drawer Dispenser Assembly136WH41X10257 GE Water Inlet Pipe139GEN WH02X10186140WH43X10059 GE Washer Dispenser Actuator141WH01X10247 GE Diverter Indicator142WH01X10376 GE Washer Lever Plate143WH41X10121 GE Washer Dispenser Inlet144WH01X10249 GE Dispenser Clamp145GEN WH01X10250146GEN WH41X10122147WH02X10341 GE Washer Water Inlet Hose148GEN WH01X10555150GEN WH41X10204154GEN WH01X10377158WH01X10379 GE Washer Water Inlet Hose212GEN WH01X10573212GEN WH01X10572212GEN WH01X10574212GEN WH01X10558212GEN WH01X10571239WH02X10197 GE Screw St4.4 9.5257WH02X10201 GE Screw ST4.2 13276GEN WH02X10203304GEN WH08X10021305GEN WH02X10206321WH41X10249 GE Vent Hose9999WE25X10028 GE Washer Stacking Kit