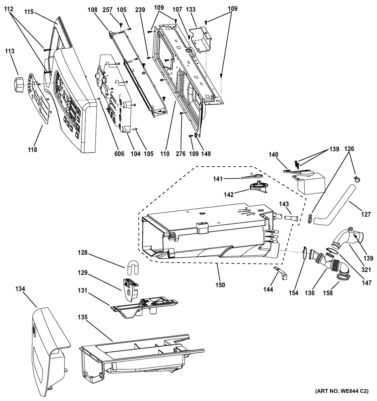
GFWS1505D0MS CONTROLS & DISPENSERadmin2025-04-26T08:41:31+00:00GFWS1505D0MS CONTROLS & DISPENSER ProductsPositionProduct104WH12X10544 GE User Interface Board105WH02X10181 GE Screw ST3.5 x 11107WH02X10183 GE Screw ST4 13108GEN WH16X10164109WH02X10184 GE Screw 4.2 x 13110WH46X10272 GE Top Front Bracket112WH02X10185 GE Screw ST4 25113WE04X21014 GE Washer Control Knob115GEN WH42X10929115GEN WH42X10940118GEN WH42X10941126WH01X10324 GE Washer Water Inlet Hose127INLET WATER HOSE 1128WH41X10179 GE Siphon Pipe129WH41X10264 GE Liquid Detergent Insert131WH41X10181 GE Bleach Softener Cover133WH44X10296 GE Cover Harness134GEN WH41X10317134GEN WH41X10316135WH41X10185 GE Drawer Dispenser Assembly136WH41X10257 GE Water Inlet Pipe139GEN WH02X10186140WH43X10059 GE Washer Dispenser Actuator141WH01X10247 GE Diverter Indicator142WH01X10376 GE Washer Lever Plate143WH41X10121 GE Washer Dispenser Inlet144WH01X10249 GE Dispenser Clamp147WH02X10341 GE Washer Water Inlet Hose148GEN WH01X10651150WH41X10307 GE Main Box154GEN WH01X10377158WH01X10379 GE Washer Water Inlet Hose239WH02X10197 GE Screw St4.4 9.5257WH02X10201 GE Screw ST4.2 13276GEN WH02X10203321WH41X10249 GE Vent Hose606GEN WH02X10355