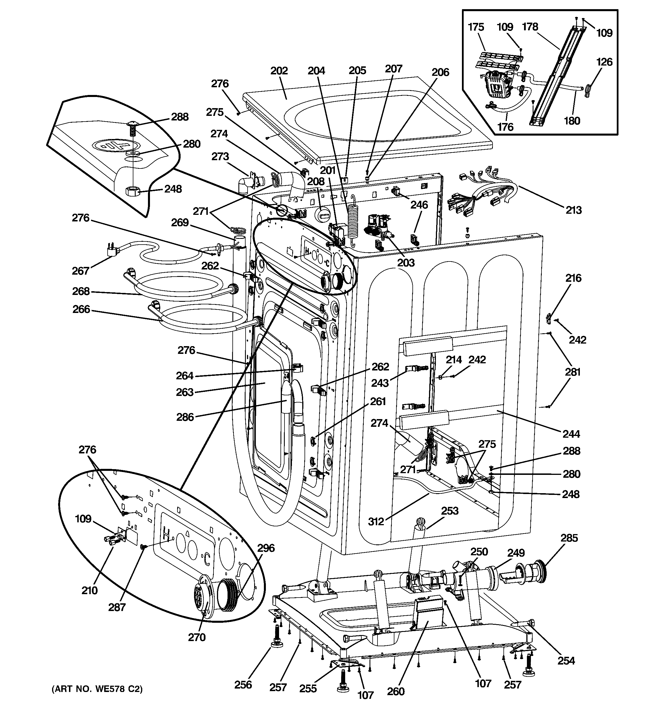
GFWS3605L0MV CABINET & TOP PANELadmin2025-04-26T08:42:04+00:00GFWS3605L0MV CABINET & TOP PANEL ProductsPositionProduct107WH02X10183 GE Screw ST4 13109WH02X10184 GE Screw 4.2 x 13126WH01X10244 GE Pipe Clamp 3-Way175GEN WH01X10528176GEN WH41X10258178GEN WH16X10130180GEN WH41X10259201WH41X10301 GE EMI Filter202GEN WH44X10173202GEN WH44X10252202GEN WH44X10250202GEN WH44X10251202GEN WH44X10249203WH49X26074 GE LCHA Water Valve Kit204WH05X10012 GE Suspension Spring205WH01X10251 GE Han R Spring206WH01X10252 GE Top Panel Pin207GEN WH02X10187208GEN WH12X10390210GEN WH02X10268213GEN WH19X10075214WH01X10253 GE Front Panel Pin216WH16X10073 GE Front Panel242GEN WH02X10182243WH16X10074 GE Catch Wire244GEN WH16X10075246WH16X10076 GE Wire Catch248GEN WH02X10199249PUMP250WH02X10200 GE Screw ST4*25253GEN WH01X10385254WH01X10261 GE Damper Pin255WH16X10077 GE Corner Bracket256GEN WH46X10243257WH02X10201 GE Screw ST4.2 13260GEN WH12X10470260GEN WH12X10493261WH44X10206 GE Cover Screw262WH01X10262 GE Drain Hose Catch263WH46X10237 GE Rear Cabinet Cover264WH01X10263 GE Washer Inside Drain Hose266GEN WH41X10215267GEN WH19X10071268GEN WH41X10216269WH41X10126 GE Drain Hose Outside270WH01X10527 GE Vent Hose Coupling271WH01X10265 GE Drain Hose Clamp273WH01X10266 GE Drain Hose Coupling274GEN WH41X10127275WH16X10078 GE Wire Catch276GEN WH02X10203280GEN WH02X10218281WH02X10219 GE Screw ST4 10285PUMP FILTER286WH41X10133 GE Drain Hose U-Shape287GEN WH02X10220288WH02X10234 GE Screw M5 12296GEN WH08X10052312GEN WH19X10078