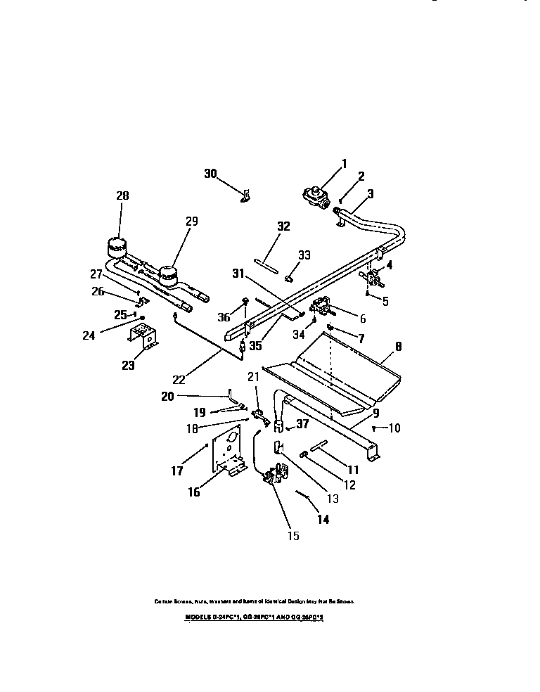
GG26PCL2 27 – BURNERS, IGNITORS, CONTROLSadmin2025-04-26T09:30:39+00:00GG26PCL2 27 – BURNERS, IGNITORS, CONTROLS ProductsPositionProduct1WCI 80079743WCI 80145604WCI 80139406WCI 80139277WCI 80079798WCI 80079809WCI 801385513WCI 801391814WCI 800836115WCI 801394216WCI 800798717WCI 800796018WCI 800798919NUT, 3/16 (INCL. SLEEVE)21WCI 801391122WCI 801456223WCI 801400224WCI 801146826SHIEILD, PILOT (2)27WCI 800790528WCI 801385329WCI 801385230CLIP, CAPILLARY TUBE31NUT, 3/16 LOXIT32TUBE, 3/8 INCH33WCI 800836334SCREW (2)35TUBE36WCI 801147937WCI 8008011