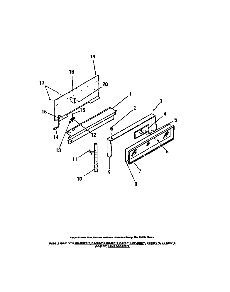
GG32BCL0 08 – CONSOLE, PANELSadmin2025-04-26T09:30:34+00:00GG32BCL0 08 – CONSOLE, PANELS ProductsPositionProduct1WCI 80139622WCI 80080603WCI 80080616WCI 80138887WCI 80080648WCI 80138719WCI 800806210WCI 801329611WCI 801407012WCI 800807113WCI 80080914WCI 801407315WCI 800807216WCI 800825517WCI 801143518WCI 800807619WCI 801396620WCI 8007925