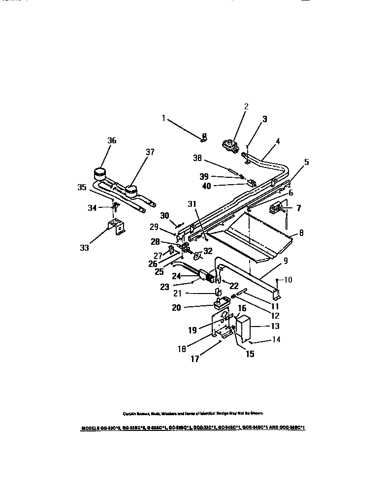
GG32BCL0 29 – BURNERS, IGNITORS, CONTROLSadmin2025-04-26T09:31:18+00:00GG32BCL0 29 – BURNERS, IGNITORS, CONTROLS ProductsPositionProduct1CLIP, CAPILLARY TUBE2WCI 80079744WCI 80139065WCI 80140216WCI 80079797WCI 80139268WCI 80079809WCI 800941813WCI 800798615BUSHING17WCI 800796018WCI 800798719WCI 800798520VALVE, OVEN21WCI 800801023WCI 800801124IGNITOR, OVEN25SCREW (2)26WCI 800800027SWITCH-MICRO28WCI 801394029WCI 800799130WCI 801392131WCI 801250932WCI 800800233WCI 801400234IGNITOR-TOP, R.H.34AWCI 801388435WCI 800790536WCI 801385337WCI 8013852383/8`` TUBE39WCI 800836340SHUT OFF VALVE