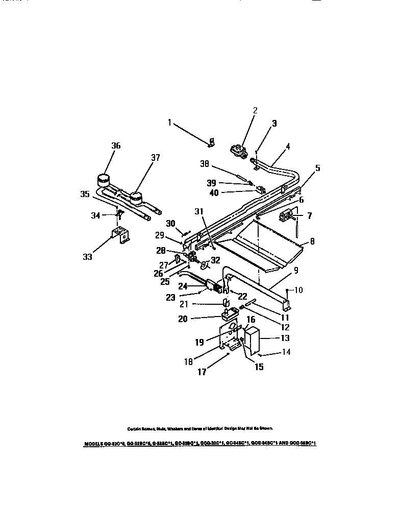
GG32BCW0 29 – BURNERS, IGNITORS, CONTROLS