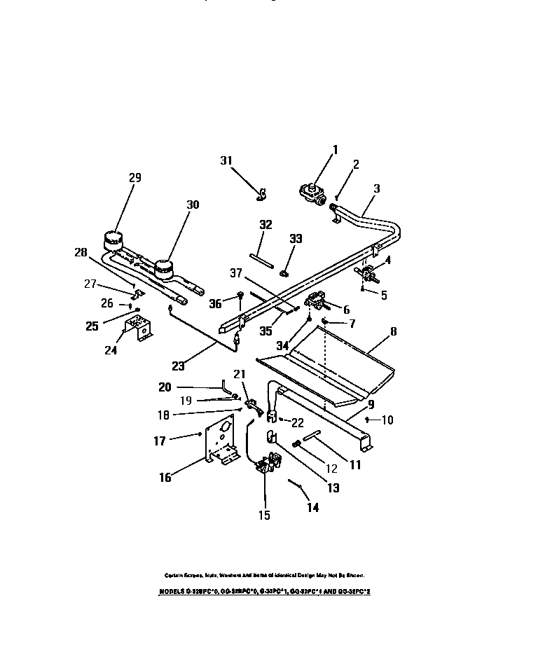
GG32BPCL0 28 – BURNERS, IGNITORS, CONTROLSadmin2025-04-26T09:29:33+00:00GG32BPCL0 28 – BURNERS, IGNITORS, CONTROLS ProductsPositionProduct1WCI 80079743WCI 80139044WCI 80139406WCI 80139277WCI 80079798WCI 80079809WCI 801385513WCI 801391814WCI 800836115WCI 801394216WCI 800798717WCI 800796018WCI 800798919NUT, 3/16 (INCL. SLEEVE)21WCI 801391122WCI 800801123WCI 801391224WCI 801400225WCI 801146827SHIEILD, PILOT (2)28WCI 800790529WCI 801385330WCI 801385231CLIP, CAPILLARY TUBE32TUBE, 3/8 INCH33WCI 800836334SCREW (2)35TUBE36WCI 801147937NUT, 3/16 LOXIT