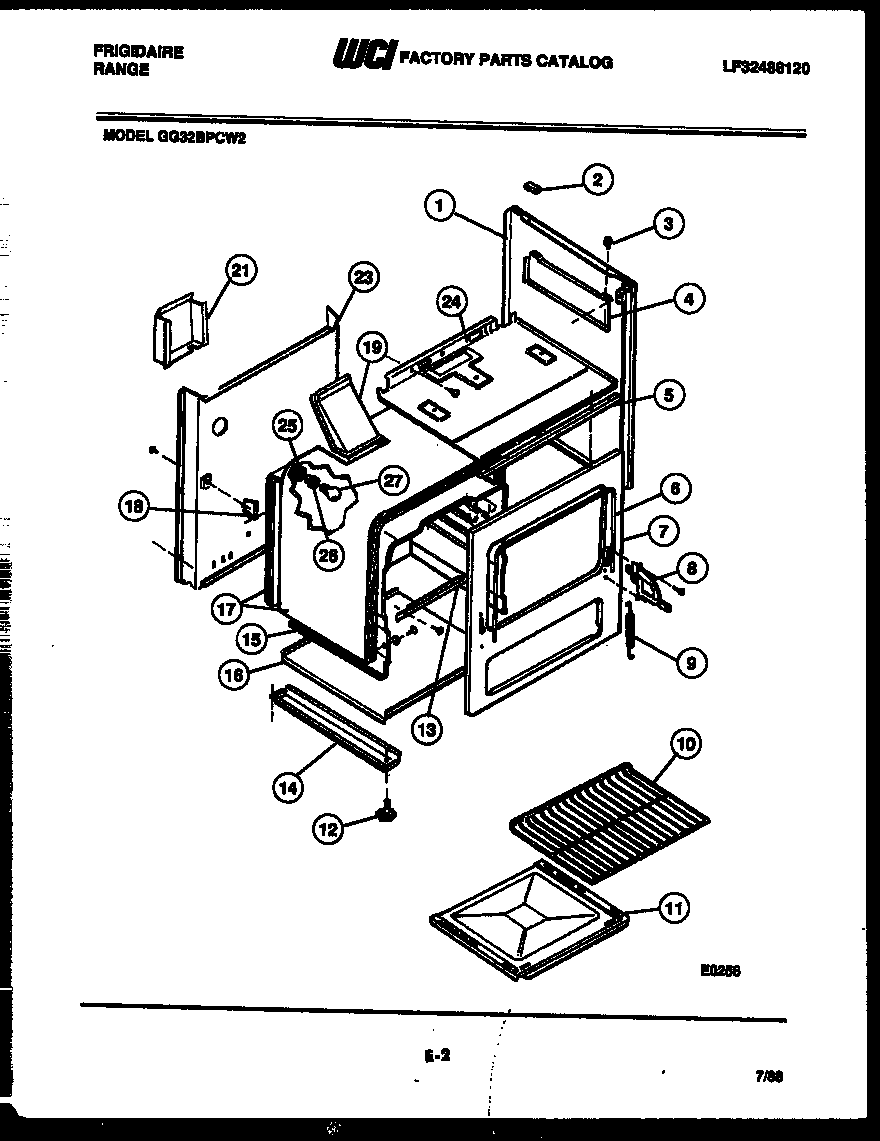
GG32BPCW2 06 – BODY PARTSadmin2025-04-26T09:31:00+00:00GG32BPCW2 06 – BODY PARTS ProductsPositionProduct1BODYSIDE (WHITE) LH & RH2WCI 080680523WCI 080080124AWCI 080115524SHIELD - HEAT RH5WCI 080140276WCI 080080227WCI 30177908HINGE - DOOR RH8A318348801 Frigidaire Oven Left Side Door Hinge9SPRING - OVEN DOOR10WCI 0806802711WCI 301828212SCREW - LEVELING (4)13WCI 0800803614BASE-RAIL (2)15CWCI 301828615BWCI 301834715AOVEN LINER-SIDE LH15OVEN LINER-SIDE RH16BOTTOM - OVEN17WCI 301717117AWCI 301717218SUPPORT - REAR (2)19WCI 301717321WCI 0800835723WCI 0801260024WCI 301717425CUP - OVEN LIGHT26316116400 Frigidaire Oven Light Socket27WCI 0868090