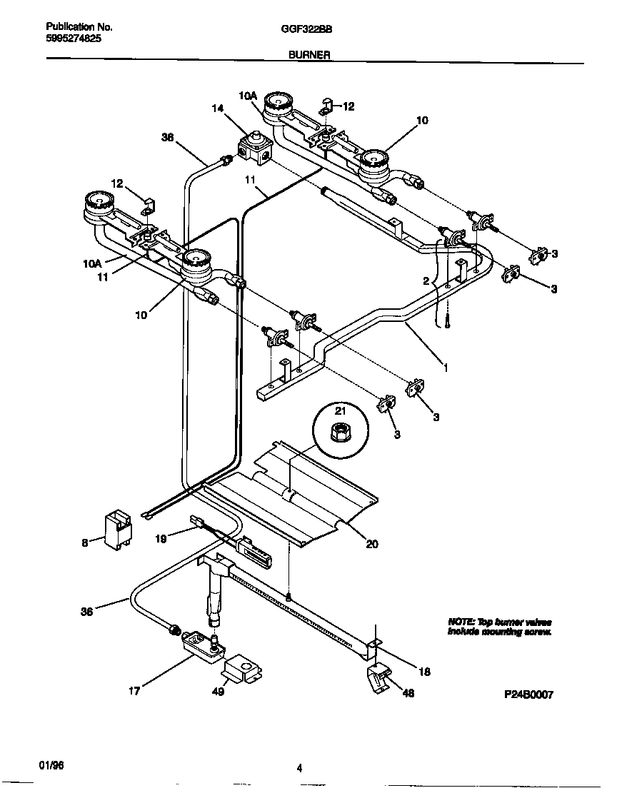
GGF322BBDD 03 – BURNER