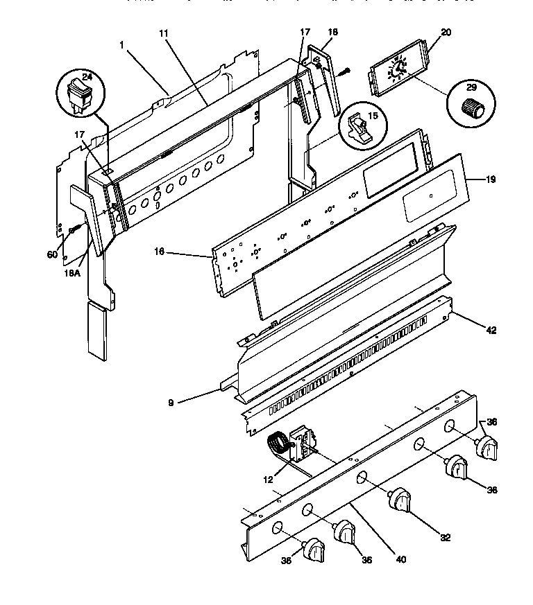
GGF325BBDB 02 – BACKGUARDadmin2025-04-26T09:29:21+00:00GGF325BBDB 02 – BACKGUARD ProductsPositionProduct*51360WCI 5303281584*51361SCREW-END CAP1SHIELD-BACKGUARD, REAR WALL9TRIM-SPLASHER, ALMOND11WCI 31608371312316032411 Frigidaire Stove Temperature Control Thermostat15SUPPORT-BACKGUARD,(2)16WCI 31604260117TRIM-GLASS RTNR. LH & RH18AWCI 313122918SHIELD-REAR WALL19PANEL-CONTROL, GLASS20WCI 5303212519245304527841 Frigidaire Oven Rocker Switch (Black)29WCI 31602900032WCI 530321255836WCI 31602301940WCI 31600927242WCI 31608430060316021105 Frigidaire Oven Screw