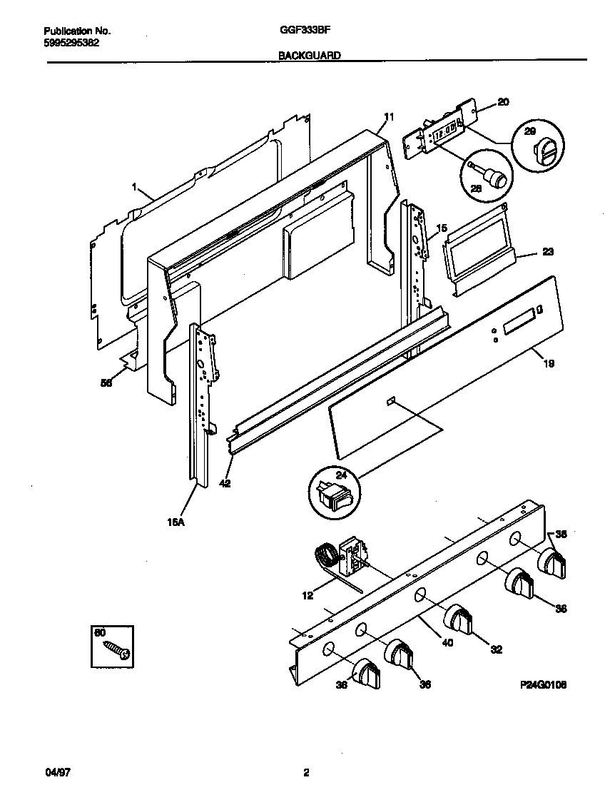
GGF333BFDA 02 – BACKGUARDadmin2025-04-26T09:33:21+00:00GGF333BFDA 02 – BACKGUARD ProductsPositionProduct*28321NAMEPLATE*28320Screw,cup pt ,8-18 x 0.375 ,chrome*28322WCI 3160969001SHIELD-BACKGUARD, REAR WALL11WCI 31606184612316032411 Frigidaire Stove Temperature Control Thermostat15WCI 31602310915WCI 31602310819WCI 31608260620WCI 316096000245304527841 Frigidaire Oven Rocker Switch (Black)28BUTTON-CLOCK29KNOB-TIMER BUTTON32316102300 Frigidaire Oven Knob36WCI 31600901040WCI 31608683142WCI 31608330056WCI 31607490760316021105 Frigidaire Oven Screw