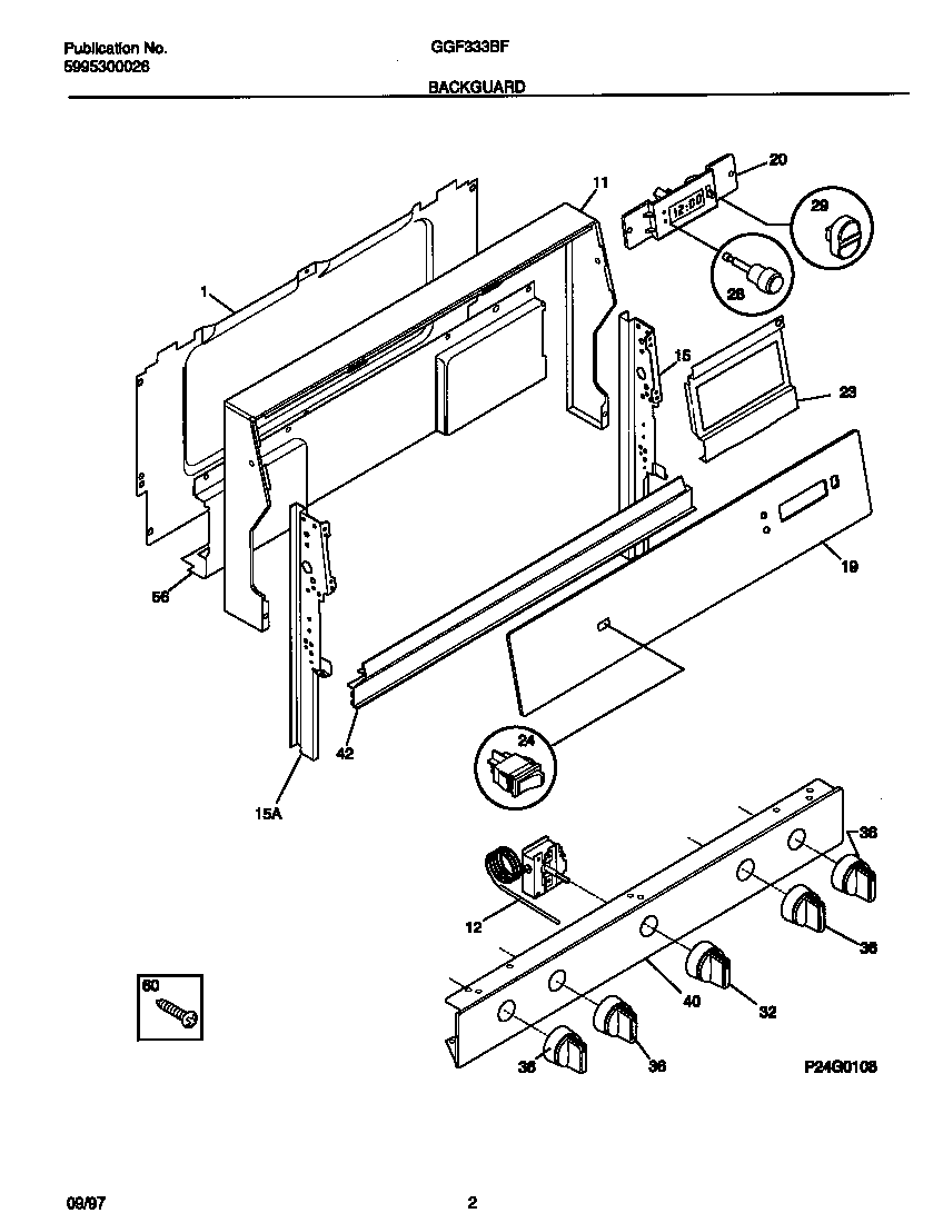
GGF333BFWB 02 – BACKGUARDadmin2025-04-26T09:32:29+00:00GGF333BFWB 02 – BACKGUARD ProductsPositionProduct*39401NAMEPLATE*39402WCI 316096900*39400Screw,cup pt ,8-18 x 0.375 ,chrome1SHIELD-BACKGUARD, REAR WALL11WCI 31606184612316032411 Frigidaire Stove Temperature Control Thermostat15WCI 31602310815WCI 31602310919WCI 31608260620WCI 31609600123WCI 316079002245304527841 Frigidaire Oven Rocker Switch (Black)28BUTTON-CLOCK29KNOB-TIMER BUTTON32316102300 Frigidaire Oven Knob36WCI 31600901040WCI 31608683142WCI 31608330056WCI 31607490760316021105 Frigidaire Oven Screw