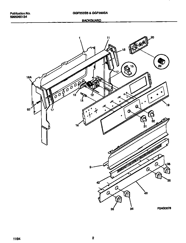
GGF350SBDA 02 – BACKGUARDadmin2025-04-26T09:32:28+00:00GGF350SBDA 02 – BACKGUARD ProductsPositionProduct*71123316021105 Frigidaire Oven Screw*71121WCI 5303281584*71122WCI 3204745*71120WCI 3160014221SHIELD-BACKGUARD, REAR WALL9TRIM-SPLASHER, ALMOND11WCI 313123812THERMOSTAT-BAKE13SWITCH SELECTOR 5 POS14AINDICATOR LIGHT-LOCK (1)14WCI 530803789615SUPPORT-BACKGUARD,(2)16WCI 31604260117TRIM-GLASS RTNR. LH & RH18AWCI 313122918SHIELD-REAR WALL19PANEL-CONTROL, GLASS20CLOCK/TIMER, ANALOG 3 STEM29WCI 31602900031WCI 31601913332WCI 31601913236WCI 31602300640WCI 530321268142WCI 313124160WCI 5303290188