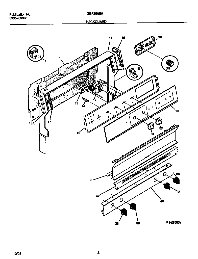
GGF356BADB 02 – BACKGUARDadmin2025-04-26T09:31:26+00:00GGF356BADB 02 – BACKGUARD ProductsPositionProduct*43240WCI 3204745*43241WCI 32035301SHIELD-BACKGUARD, REAR WALL9TRIM-SPLASHER, ALMOND11WCI 530321060912THERMOSTAT-BAKE13SWITCH SELECTOR 5 POS14AINDICATOR LIGHT-LOCK (1)14WCI 530803789615SUPPORT-BACKGUARD,(2)16WCI 31604260117TRIM-GLASS RTNR. LH & RH18AWCI 313122918SHIELD-REAR WALL19PANEL-CONTROL, GLASS20CLOCK/TIMER, ANALOG 3 STEM245308015487 Frigidaire Switch-Oven Light29WCI 31602900031WCI 31601913332WCI 31601913236WCI 31602300740WCI 31600927342WCI 3131241