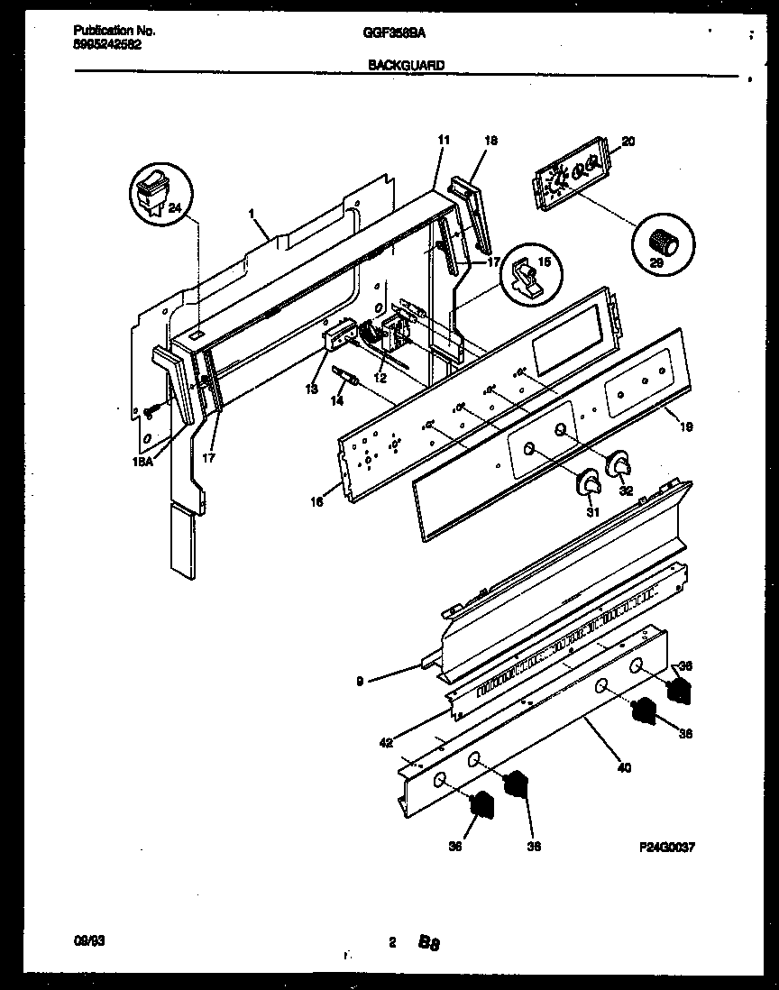
GGF356BAWA 02 – BACKGUARDadmin2025-04-26T09:29:52+00:00GGF356BAWA 02 – BACKGUARD ProductsPositionProduct*62881WCI 32047451SHIELD-BACKGUARD, REAR WALL9TRIM-SPLASHER, WHITE11WCI 530321060912THERMOSTAT-BAKE13SWITCH SELECTOR 5 POS14AINDICATOR LIGHT-LOCK (1)14WCI 530803789615SUPPORT-BACKGUARD,(2)16WCI 31604260117TRIM-GLASS RTNR. LH & RH18AWCI 313122918SHIELD-REAR WALL19PANEL-CONTROL, GLASS20CLOCK/TIMER, ANALOG 3 STEM245308015487 Frigidaire Switch-Oven Light29KNOB-CLOCK31KNOB-SELECTOR32WCI 530321267936WCI 530327204340WCI 31600927342WCI 3131241