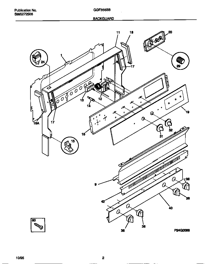
GGF356BBWC 02 – BACKGUARDadmin2025-04-26T09:30:19+00:00GGF356BBWC 02 – BACKGUARD ProductsPositionProduct*67121316021105 Frigidaire Oven Screw*67123WCI 316001454*67120WCI 3204745*67122WCI 53032815841SHIELD-BACKGUARD, REAR WALL9TRIM-SPLASHER, WHITE11WCI 313123812THERMOSTAT-BAKE13SWITCH SELECTOR 5 POS14AWCI 530803789614BINDICATOR LIGHT-LOCK (1)15SUPPORT-BACKGUARD,(2)16WCI 31604260117TRIM-GLASS RTNR. LH & RH18SHIELD-REAR WALL18WCI 313122919PANEL-CONTROL, GLASS20CLOCK/TIMER, ANALOG 3 STEM245304527841 Frigidaire Oven Rocker Switch (Black)29WCI 31602900031WCI 31601913332WCI 31601913236WCI 31602301940WCI 31600927342WCI 31608430060WCI 5303290188