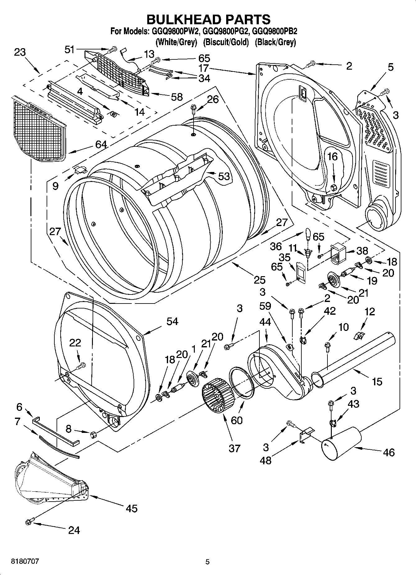
GGQ9800PG2 03 – BULKHEAD PARTSadmin2025-04-26T11:00:54+00:00GGQ9800PG2 03 – BULKHEAD PARTS ProductsPositionProduct1SHAFT2WP488729 Whirlpool Refrigerator Door Screw3WP90767 Whirlpool Screw4WP3394986 Whirlpool Spring5W11168650 Whirlpool Air Duct6WP697813 Whirlpool Seal8WP3359452 Whirlpool Nut98066086 Whirlpool Plug10WPW10139210 Whirlpool Screw11W11700522 Whirlpool Socket12WP3388229 Whirlpool Dryer Spring Clip13Ground-Sensor14W11222846 Whirlpool Door15279936 Whirlpool Exhaust Pipe16Nut, 3/8-16 (L.H.)17W11299301 Whirlpool Bulkhead Assembly18W11236646 Whirlpool Washer Assembly19SHAFT20WPW10512946 Whirlpool Dryer Tri-Ring Drum Roller21WPW10314173 Whirlpool Dryer Drum Support Wheel23W11129408 Whirlpool Out Housing24W11693756 Whirlpool Screw Assembly25W10545923 Whirlpool Drum Assembly26WPW10109200 Whirlpool Screw27280114 Whirlpool Dryer Drum Seal34WP3387223 Whirlpool Electrode Assembly35W11226088 Whirlpool Lens Assembly36WP22002263 Whirlpool Dryer 10W Light Bulb37WP697772 Whirlpool Dryer Blower Wheel383977373 Whirlpool Bracket42WP8318268 Whirlpool Thermostat43W11050897 Whirlpool Dryer High Limit Thermostat44W10888146 Whirlpool Housing45WPW10128606 Whirlpool Lint Duct46WP8066047 Whirlpool Funnel48WP338906 Whirlpool Dryer Gas Sensor51WP3387230 Whirlpool Screw53WPW10113136 Whirlpool Drum Baffle54WP697557 Whirlpool Bulkhead Assembly58W11086603 Whirlpool Dryer Link Screen Air Grille59WP3392519 Whirlpool Dryer Thermal Fuse60WP697770 Whirlpool Blower Cover Plate Seal64W10120998 Whirlpool Dryer Lint Screen Filter